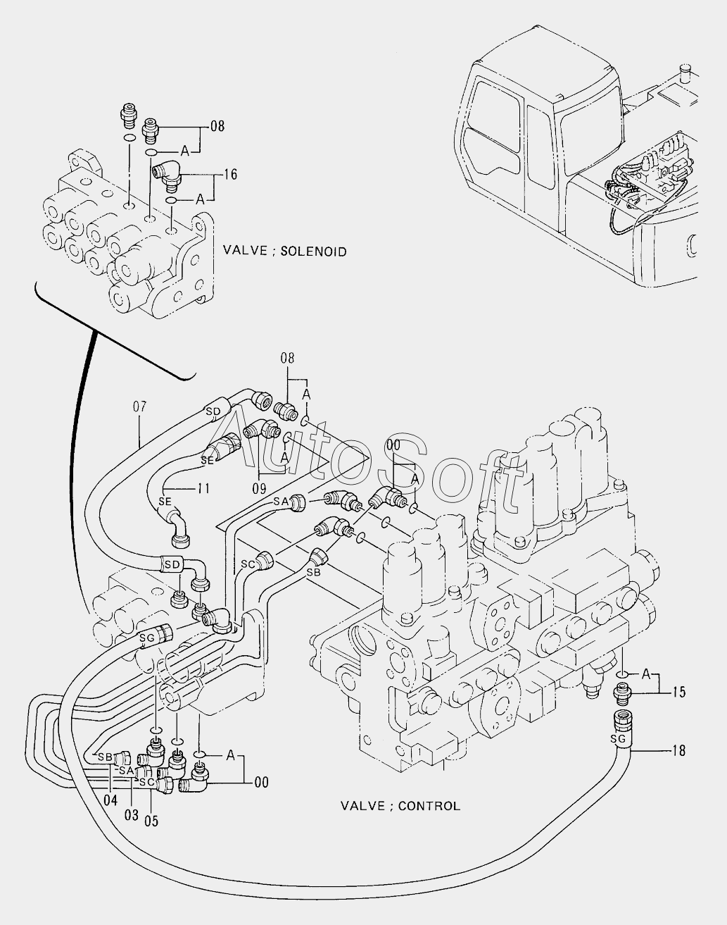
Каталог запасных частей к технике: Hitachi EX-100-3 (2008). PILOT PIPINGS (2-1)
0
0
00A
00A
3
4
5
7
8
8
08A
08A
9
09A
11
15
15A
16
16A
18
| Позиция на иллюстрации | Заводской номер детали | Название детали | |
|---|---|---|---|
| 0 | 4***0 | ELBOW, S | |
| 00A | 9***6 | O-RING | |
| 08A | 9***6 | O-RING | |
| 09A | 9***6 | O-RING | |
| 11 | 4***1 | HOSE | |
| 15 | 4***7 | ADAPTER, S | |
| 15A | 9***6 | O-RING | |
| 16 | 4***4 | ELBOW, S | |
| 16A | 9***6 | O-RING | |
| 18 | 4***5 | HOSE, NYLON | |
| 3 | 3***6 | PIPE | |
| 4 | 3***0 | PIPE | |
| 5 | 3***2 | PIPE | |
| 7 | 4***0 | HOSE | |
| 8 | 4***5 | ADAPTER, S | |
| 9 | 4***0 | ELBOW, S |
Содержащиеся в справочниках-каталогах запасные части и детали не предлагаются к продаже, а носят исключительно информационный характер. В демо-версии артикулы (номера деталей) скрыты. Если вы хотите видеть полные оригинальные номера запчастей, вам необходимо зарегистрироваться на нашем сайте и приобрести подписку по интересующей вас конфигурации, после этого вы сможете встроить онлайн-каталоги на ваш сайт или пользоваться ими из личного кабинета нашего сайта. Обращаем ваше внимание на то, что каталоги содержат информацию об оригинальных заводских номерах и названиях запчастей. База по аналогам в данный момент не реализована. Поиска по VIN-номерам в онлайн-каталоге не предусмотрено. Выбор конкретного каталога осуществляется путем открытия нужного типа техники, марки, модели с учетом года выпуска или модификации.