Каталог запасных частей к технике: Hidromek HMK 102S (2005). KINGPOST CARRIAGE
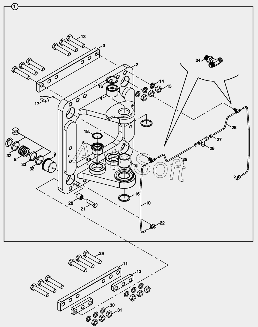
27
19
20
21
22
24
25
26
18
28
29
30
31
32
32
33
34
1
17
16
16
15
14
13
12
11
10
9
8
6
5
4
3
2
| Позиция на иллюстрации | Заводской номер детали | Название детали | |
|---|---|---|---|
| N10/2006550 | N***0 | O-RING | |
| 1 | 0***8 | KINGPOST CARRIAGE, ASSY | |
| 2 | 0***1 | KINGPOST CARRIAGE | |
| 3 | 0***5 | MOUNTING PLATE | |
| 4 | 8***2 | BUSHING | |
| 5 | 8***0 | BUSHING | |
| 6 | 8***6 | BUSHING | |
| 8 | 2***1 | PISTON, WITHOUT FRICTION PLATE | |
| 9 | 0***5 | COVER, PISTON | |
| 10 | 4***3 | PIPE | |
| 11 | 0***5 | MOUNTING PLATE | |
| 12 | 0***3 | MOUNTING PLATE | |
| 13 | N***6 | BOLT M27x140 | |
| 14 | N***0 | WASHER | |
| 15 | N***4 | NUT M27 | |
| 16 | N***5 | Seal Dust | |
| 17 | N***8 | EXPANSION PIN | |
| 18 | N***5 | SCRAPER | |
| 19 | N***0 | Lubricants | |
| 20 | 8***3 | BUSHING | |
| 21 | N***8 | BOLT M20x80 | |
| 22 | F***0 | NIPPLE | |
| 24 | N***2 | ADAPTER | |
| 25 | 4***2 | PIPE | |
| 26 | N***3 | T-ADAPTER | |
| 27 | N***0 | NUT | |
| 28 | 4***1 | PIPE | |
| 29 | N***6 | BOLT M27x140 | |
| 30 | N***0 | WASHER | |
| 31 | N***4 | NUT M27 | |
| 32 | N***7 | GUIDE RING | |
| 33 | N***0 | SEAL, PISTON | |
| 34 | S***0 | REPAIR KIT, PISTON |
Содержащиеся в справочниках-каталогах запасные части и детали не предлагаются к продаже, а носят исключительно информационный характер. В демо-версии артикулы (номера деталей) скрыты. Если вы хотите видеть полные оригинальные номера запчастей, вам необходимо зарегистрироваться на нашем сайте и приобрести подписку по интересующей вас конфигурации, после этого вы сможете встроить онлайн-каталоги на ваш сайт или пользоваться ими из личного кабинета нашего сайта. Обращаем ваше внимание на то, что каталоги содержат информацию об оригинальных заводских номерах и названиях запчастей. База по аналогам в данный момент не реализована. Поиска по VIN-номерам в онлайн-каталоге не предусмотрено. Выбор конкретного каталога осуществляется путем открытия нужного типа техники, марки, модели с учетом года выпуска или модификации.