Каталог запасных частей к технике: Hidromek HMK 102S MAESTRO (2011). BUCKET, BACKHOE, 3- AXIS A60001 -
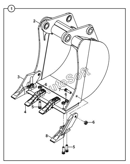
1
2
3
4
5
5
6
6
6
7
8
| Позиция на иллюстрации | Заводской номер детали | Название детали | |
|---|---|---|---|
| 1 | 0***1 | Bucket | |
| 2 | 0***1 | Bucket | |
| 3 | 8***0 | SIDE CUTTER, RIGHT | |
| 4 | 8***5 | TOOTH | |
| 5 | N***5 | BOLT | |
| 6 | N***1 | NUT | |
| 7 | N***9 | BOLT | |
| 8 | 8***0 | SIDE CUTTER, LEFT |
Содержащиеся в справочниках-каталогах запасные части и детали не предлагаются к продаже, а носят исключительно информационный характер. В демо-версии артикулы (номера деталей) скрыты. Если вы хотите видеть полные оригинальные номера запчастей, вам необходимо зарегистрироваться на нашем сайте и приобрести подписку по интересующей вас конфигурации, после этого вы сможете встроить онлайн-каталоги на ваш сайт или пользоваться ими из личного кабинета нашего сайта. Обращаем ваше внимание на то, что каталоги содержат информацию об оригинальных заводских номерах и названиях запчастей. База по аналогам в данный момент не реализована. Поиска по VIN-номерам в онлайн-каталоге не предусмотрено. Выбор конкретного каталога осуществляется путем открытия нужного типа техники, марки, модели с учетом года выпуска или модификации.