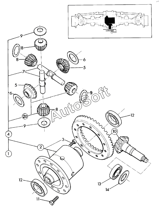
Каталог запасных частей к технике: Hidromek HMK 102S MAESTRO (2011). CROWN WHEEL & PINION, REAR AXLE, SD 80 A60001 -
1
2
3
4
6
6
7
9
9
9
10
11
12
12
13
14
20
| Позиция на иллюстрации | Заводской номер детали | Название детали | |
|---|---|---|---|
| 1 | F***0 | DIFFERENTIAL, ASSY | |
| 2 | F***5 | CASING, ASSEMBLY, DIFFERENTIAL | |
| 3 | F***9 | BOLT | |
| 4 | F***0 | GEAR, SET, ASSY. | |
| 6 | F***0 | WASHER, THRUST | |
| 7 | F***3 | PIN, TRUNNION | |
| 9 | F***1 | WASHER, THRUST | |
| 10 | F***5 | GEAR, CROWN WHEEL AND PINION, 13T/33T | |
| 11 | F***0 | BOLT | |
| 12 | F***0 | BEARING | |
| 13 | F***0 | BEARING | |
| 14 | F***0 | KIT-SHIM | |
| 20 | F***0 | KIT-GEAR, DIFFERENTIAL |
Содержащиеся в справочниках-каталогах запасные части и детали не предлагаются к продаже, а носят исключительно информационный характер. В демо-версии артикулы (номера деталей) скрыты. Если вы хотите видеть полные оригинальные номера запчастей, вам необходимо зарегистрироваться на нашем сайте и приобрести подписку по интересующей вас конфигурации, после этого вы сможете встроить онлайн-каталоги на ваш сайт или пользоваться ими из личного кабинета нашего сайта. Обращаем ваше внимание на то, что каталоги содержат информацию об оригинальных заводских номерах и названиях запчастей. База по аналогам в данный момент не реализована. Поиска по VIN-номерам в онлайн-каталоге не предусмотрено. Выбор конкретного каталога осуществляется путем открытия нужного типа техники, марки, модели с учетом года выпуска или модификации.