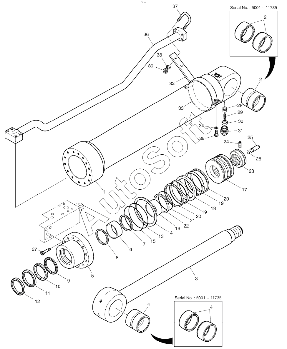
Каталог запасных частей к технике: Doosan DX225LCA (2012). ARM CYLINDER - LOCK VALVE
30
19
19
20
20
21
22
23
24
25
26
27
28
29
18
31
32
33
34
35
36
37
38
39
K9001901
7
400305-00220
1
1
2
2
2
2
3
3
4
4
4
4
5
6
K1041222A
8
9
10
11
12
13
14
15
16
17
| Позиция на иллюстрации | Заводской номер детали | Название детали | |
|---|---|---|---|
| 400305-00220 | 4***0 | CYLINDER, ARM (LOCK V/V) | |
| K1041222A | K***A | CYLINDER, ARM (LOCK V/V) | |
| K9001901 | K***1 | SEAL KIT, ARM CYLINDER | |
| 1 | 4***3 | TUBE ASSY | |
| 1 | K***6 | TUBE ASSY | |
| 2 | 1***0 | BUSH | |
| 2 | K***A | BUSH | |
| 3 | 4***2 | ROD ASSY | |
| 3 | K***0 | ROD ASSY | |
| 4 | 1***0 | BUSH | |
| 4 | K***A | BUSH | |
| 5 | K***1 | ROD, COVER | |
| 6 | 1***1 | DD-BUSH | |
| 7 | 1***3 | RING, RETAINING | |
| 8 | K***2 | SEAL, BUFFER | |
| 9 | K***3 | U-PACKING | |
| 10 | K***4 | RING, BACK UP | |
| 11 | 1***7 | WIPER, DUST | |
| 12 | 1***8 | Ring, retaining | |
| 13 | S***1 | O-RING | |
| 14 | 1***2 | RING, BACK UP | |
| 15 | 2***6 | O-RING | |
| 16 | K***3 | RING, CUSHION | |
| 17 | K***4 | PISTON | |
| 18 | K***8 | SEAL, SLIPPER | |
| 19 | 1***9 | RING, WEAR | |
| 20 | K***9 | RING, DUST | |
| 21 | S***1 | O-RING | |
| 22 | K***5 | RING, BACK UP | |
| 23 | K***6 | NUT, RISTON | |
| 24 | 1***9 | SCREW, SET | |
| 25 | K***7 | PLUNGER, CUSHION | |
| 26 | 1***1 | RING, STOP | |
| 27 | S***2 | BOLT, SOCKET | |
| 28 | 1***0 | VALVE, CHECK | |
| 29 | 1***1 | SPRING | |
| 30 | 1***2 | SUPPORT, SPRING | |
| 31 | 2***3 | PLUG;HEX. SOCKET | |
| 32 | K***8 | PIPE BAND ASSY-B | |
| 33 | 1***2 | BAND, PIPE | |
| 34 | S***3 | Washer, spring | |
| 35 | S***3 | BOLT, HEX | |
| 36 | K***7 | PIPE ASSY-R | |
| 37 | K***8 | U-BOLT | |
| 38 | S***3 | WASHER;SPRING | |
| 39 | S***3 | NUT M10X1.5 |
Содержащиеся в справочниках-каталогах запасные части и детали не предлагаются к продаже, а носят исключительно информационный характер. В демо-версии артикулы (номера деталей) скрыты. Если вы хотите видеть полные оригинальные номера запчастей, вам необходимо зарегистрироваться на нашем сайте и приобрести подписку по интересующей вас конфигурации, после этого вы сможете встроить онлайн-каталоги на ваш сайт или пользоваться ими из личного кабинета нашего сайта. Обращаем ваше внимание на то, что каталоги содержат информацию об оригинальных заводских номерах и названиях запчастей. База по аналогам в данный момент не реализована. Поиска по VIN-номерам в онлайн-каталоге не предусмотрено. Выбор конкретного каталога осуществляется путем открытия нужного типа техники, марки, модели с учетом года выпуска или модификации.