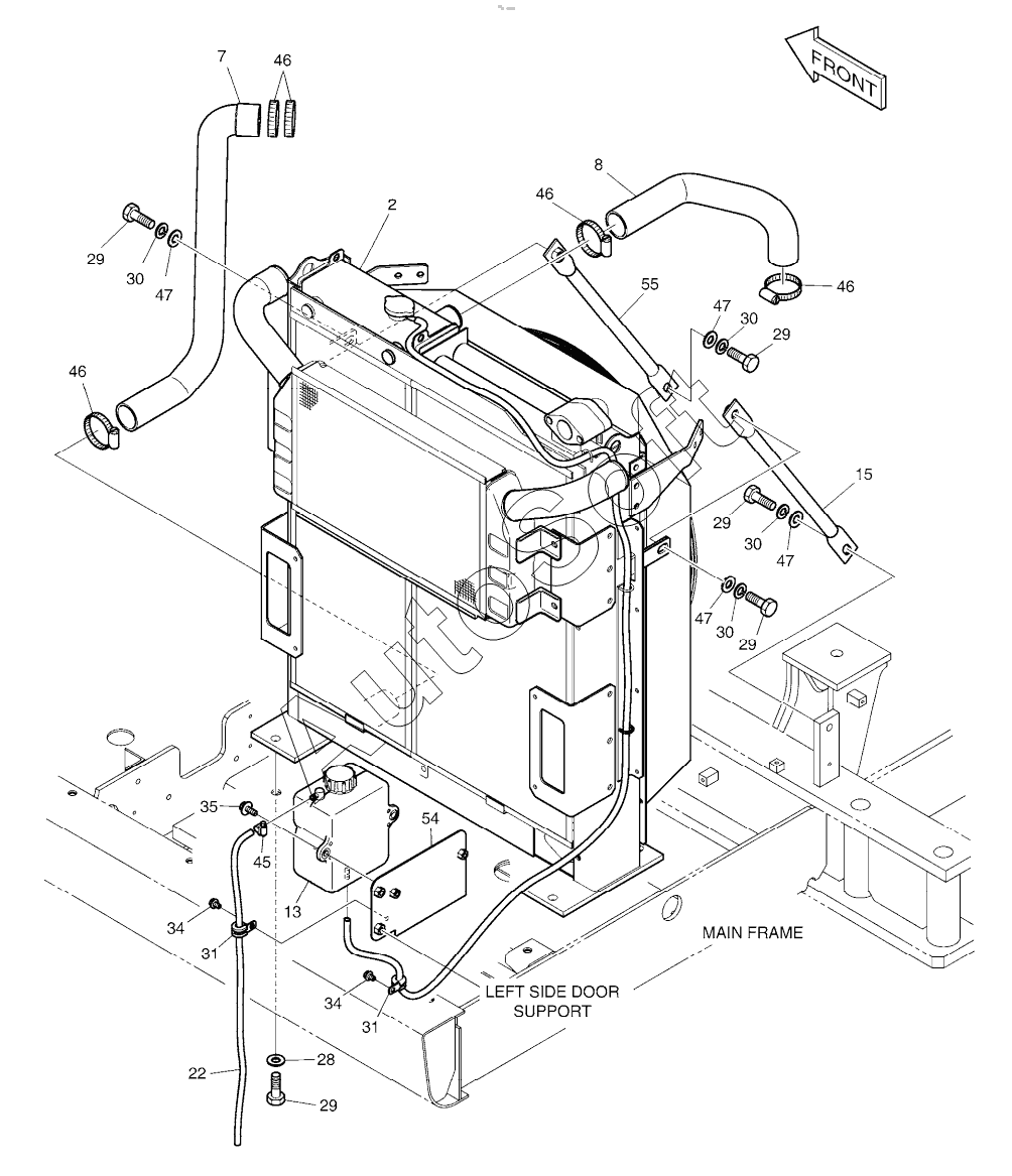
Каталог запасных частей к технике: Doosan DX225LCA (2012). RADIATOR MOUNTING
30
30
30
30
55
54
47
47
47
47
46
46
46
46
46
46
46
46
46
46
45
35
34
34
31
31
29
29
29
29
29
28
22
15
13
8
7
2
| Позиция на иллюстрации | Заводской номер детали | Название детали | |
|---|---|---|---|
| 150109-00018 | 1***8 | ENGINE ASSY | |
| K1045986A | K***A | ENGINE ASSY | |
| 2 | K***C | RADIATOR ASSY | |
| 7 | K***1 | HOSE, WATER | |
| 8 | K***0 | HOSE, WATER | |
| 13 | K***9 | TANK, RESERVE | |
| 15 | K***B | STAY | |
| 22 | K***5 | HOSE | |
| 28 | 2***A | WASHER;HARD | |
| 29 | S***6 | BOLT | |
| 30 | S***3 | WASHER;SPRING | |
| 31 | 1***2 | CLIP D14/M8 | |
| 34 | K***9 | BOLT | |
| 35 | D***6 | BOLT, SET | |
| 45 | S***2 | CLAMP;HOSE | |
| 46 | S***5 | CLAMP | |
| 46 | S***9 | Clamp | |
| 47 | S***3 | WASHER M16 | |
| 54 | K***8 | BRACKET | |
| 55 | K***4 | STAY |
Содержащиеся в справочниках-каталогах запасные части и детали не предлагаются к продаже, а носят исключительно информационный характер. В демо-версии артикулы (номера деталей) скрыты. Если вы хотите видеть полные оригинальные номера запчастей, вам необходимо зарегистрироваться на нашем сайте и приобрести подписку по интересующей вас конфигурации, после этого вы сможете встроить онлайн-каталоги на ваш сайт или пользоваться ими из личного кабинета нашего сайта. Обращаем ваше внимание на то, что каталоги содержат информацию об оригинальных заводских номерах и названиях запчастей. База по аналогам в данный момент не реализована. Поиска по VIN-номерам в онлайн-каталоге не предусмотрено. Выбор конкретного каталога осуществляется путем открытия нужного типа техники, марки, модели с учетом года выпуска или модификации.