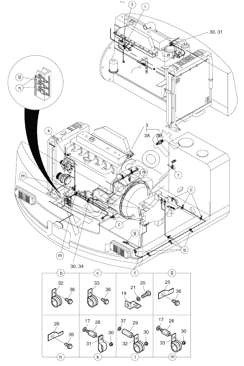
Каталог запасных частей к технике: Doosan SOLAR 180W-V (2017). ELECTRIC WIRING (2)-ENGINE
3
3
3
3A
3B
17
17
19
20
21
25
26
28
28
29
30
30
30
30
30
31
31
32
32
33
33
34
36
36
36
36
37
| Позиция на иллюстрации | Заводской номер детали | Название детали | |
|---|---|---|---|
| 300619-01030 | 3***0 | ELECTRIC ASSY | |
| 500-00218A | 5***A | ELECTRIC PARTS | |
| 17 | S***3 | WASHER;SPRING M10 | |
| 19 | 2***0 | BRACKET;HOUSING | |
| 20 | S***3 | SCREW M6X1.0X12 | |
| 21 | S***3 | WASHER;SPRING M6 | |
| 25 | 2***0 | BRACKET;HOUSING W15 | |
| 26 | 2***1 | BRACKET;HOUSING W9 | |
| 28 | 2***5 | BOLT;STUD M10X1.25X15/M8 | |
| 29 | 2***7 | BOLT;STUD M8X1.25X20/M8 | |
| 3 | 3***9 | Harness, engine | |
| 3 | 5***A | Harness, engine | |
| 3 | 5***B | Harness, engine | |
| 30 | 2***5 | NUT M8X1.25 | |
| 31 | 2***1 | CLIP D12/M8 | |
| 32 | 1***2 | CLIP D14/M8 | |
| 33 | 1***3 | CLIP D20/M8 | |
| 34 | 1***4 | CLIP D26/M8 | |
| 36 | 1***6 | BOLT M8X1.25X12 | |
| 37 | S***3 | WASHER;SPRING | |
| 3A | 2***7 | DIODE ASS'Y 3A | |
| 3B | 3***6 | Fuse |
Содержащиеся в справочниках-каталогах запасные части и детали не предлагаются к продаже, а носят исключительно информационный характер. В демо-версии артикулы (номера деталей) скрыты. Если вы хотите видеть полные оригинальные номера запчастей, вам необходимо зарегистрироваться на нашем сайте и приобрести подписку по интересующей вас конфигурации, после этого вы сможете встроить онлайн-каталоги на ваш сайт или пользоваться ими из личного кабинета нашего сайта. Обращаем ваше внимание на то, что каталоги содержат информацию об оригинальных заводских номерах и названиях запчастей. База по аналогам в данный момент не реализована. Поиска по VIN-номерам в онлайн-каталоге не предусмотрено. Выбор конкретного каталога осуществляется путем открытия нужного типа техники, марки, модели с учетом года выпуска или модификации.