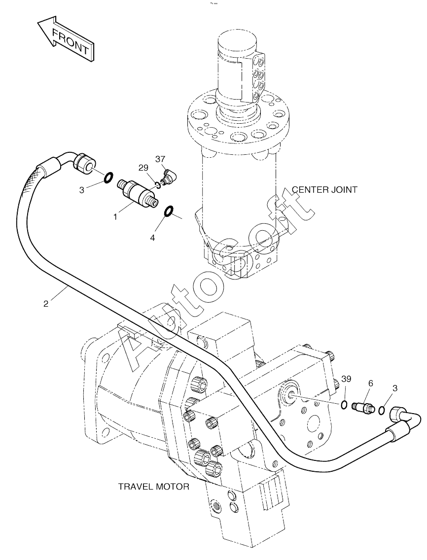
Каталог запасных частей к технике: Doosan SOLAR 180W-V (2017). PROPELLING PIPING (4)-MOTOR MAKE UP (1001-1630)
1
2
3
3
4
6
6
29
37
39
| Позиция на иллюстрации | Заводской номер детали | Название детали | |
|---|---|---|---|
| 400-01250 | 4***0 | PROPELLING PIPING | |
| 1 | 1***9 | Tee | |
| 2 | 2***8 | Hose | |
| 3 | S***1 | O-RING | |
| 4 | S***1 | O-RING | |
| 6 | D***4 | Adapter | |
| 6 | D***2 | Adapter | |
| 29 | S***1 | O-RING | |
| 37 | 2***4 | ELBOW | |
| 39 | S***1 | Ring, seal |
Содержащиеся в справочниках-каталогах запасные части и детали не предлагаются к продаже, а носят исключительно информационный характер. В демо-версии артикулы (номера деталей) скрыты. Если вы хотите видеть полные оригинальные номера запчастей, вам необходимо зарегистрироваться на нашем сайте и приобрести подписку по интересующей вас конфигурации, после этого вы сможете встроить онлайн-каталоги на ваш сайт или пользоваться ими из личного кабинета нашего сайта. Обращаем ваше внимание на то, что каталоги содержат информацию об оригинальных заводских номерах и названиях запчастей. База по аналогам в данный момент не реализована. Поиска по VIN-номерам в онлайн-каталоге не предусмотрено. Выбор конкретного каталога осуществляется путем открытия нужного типа техники, марки, модели с учетом года выпуска или модификации.