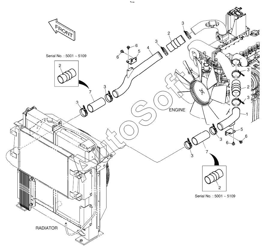
Каталог запасных частей к технике: Doosan DX225LC (2009). CAC PIPING
1
2
2
2
2
2
2
2
2
2
2
2
2
3
3
3
3
3
3
3
3
4
5
5
6
6
6
6
7
7
| Позиция на иллюстрации | Заводской номер детали | Название детали | |
|---|---|---|---|
| К1010223С | К***С | CAC PIPING | |
| 1 | К***1 | PIPE, AIR | |
| 2 | К***4 | HOSE, CAC | |
| 2 | К***9 | HOSE, AIR | |
| 2 | К***9 | HOSE, AIR | |
| 3 | 1***4 | Clamp | |
| 4 | К***2 | PIPE, AIR | |
| 5 | 1***0 | BRACKET | |
| 6 | D***7 | BOLT | |
| 7 | К***5 | HOSE, AIR |
Содержащиеся в справочниках-каталогах запасные части и детали не предлагаются к продаже, а носят исключительно информационный характер. В демо-версии артикулы (номера деталей) скрыты. Если вы хотите видеть полные оригинальные номера запчастей, вам необходимо зарегистрироваться на нашем сайте и приобрести подписку по интересующей вас конфигурации, после этого вы сможете встроить онлайн-каталоги на ваш сайт или пользоваться ими из личного кабинета нашего сайта. Обращаем ваше внимание на то, что каталоги содержат информацию об оригинальных заводских номерах и названиях запчастей. База по аналогам в данный момент не реализована. Поиска по VIN-номерам в онлайн-каталоге не предусмотрено. Выбор конкретного каталога осуществляется путем открытия нужного типа техники, марки, модели с учетом года выпуска или модификации.