Каталог запасных частей к технике: Doosan S225LC-V (2009). LOCK VALVE PIPING - ARTI.BOOM
400-01402
1
2
2A
3
4
4
5
6
7
7
7
8
8
8
8
8
9
10
10
11
12
13
14
15
16
16
16
16A
16A
16A
17
17
17
17
18
18
18
18
18
18
19
20
20
21
23
23
24
25
26
27
28
29
30
31
32
33
34
35
35
36
36
37
37
38
39
40
40
41
42
42
43
43
44
45
46
47
48
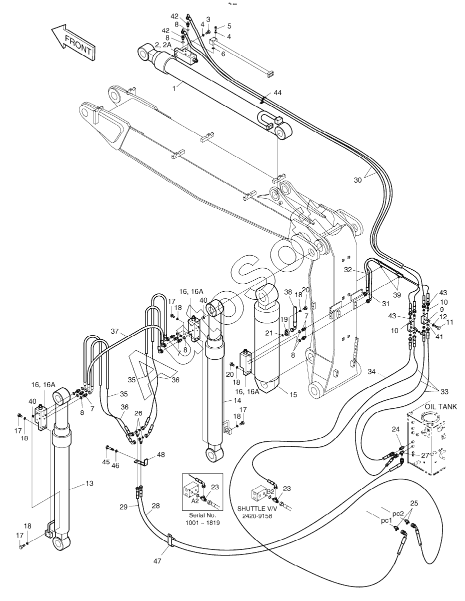
| Позиция на иллюстрации | Заводской номер детали | Название детали | |
|---|---|---|---|
| 400-01402 | 4***2 | LOCK VALVE PIPING | |
| 1 | 2***C | Cylinder, arm | |
| 10 | 1***5 | ADAPTER PF1/4-PF3/8 | |
| 11 | S***6 | BOLT | |
| 12 | S***1 | WASHER, SPRING M14 | |
| 13 | 4***A | Boom cylinder(l.h.)-lock valve | |
| 14 | 4***A | Boom cylinder(r.h.)-lock | |
| 15 | 4***4 | ARTIBOOM CYLINDER | |
| 16 | 4***6 | Valve, lock | |
| 16A | K***8 | SEAL KIT | |
| 17 | S***6 | BOLT;SOCKET M10X1.5X55 | |
| 18 | S***3 | WASHER;SPRING M10 | |
| 19 | 2***0 | FLANGE;SPLIT | |
| 2 | 4***A | Valve, lock | |
| 20 | S***6 | BOLT M10X1.5X35 | |
| 21 | 2***2 | O-RING | |
| 23 | 2***4 | TEE | |
| 24 | 2***1 | Tee | |
| 25 | 2***7 | Tee | |
| 26 | 1***8 | TEE | |
| 27 | 2***6 | TEE | |
| 28 | D***0 | HOSE PF3/8-1850L | |
| 29 | D***8 | HOSE PF3/8-2300L | |
| 2A | K***9 | Seal kit | |
| 3 | S***6 | Bolt | |
| 30 | 2***0 | HOSE PF3/8-4800L | |
| 31 | 2***9 | Hose | |
| 32 | 2***0 | Hose | |
| 33 | 2***8 | Hose | |
| 34 | 2***8 | HOSE PF3/8-2600L | |
| 35 | 2***2 | HOSE PF1/4-1400L | |
| 36 | 2***2 | HOSE PF1/4-1400L | |
| 37 | D***3 | HOSE PF1/4-800L | |
| 37 | D***8 | HOSE PF1/4-880L | |
| 38 | 2***7 | HOSE PF3/4-630L | |
| 39 | 2***9 | Clip | |
| 4 | S***3 | Washer | |
| 40 | S***1 | O-RING | |
| 41 | 1***1 | NUT | |
| 42 | 2***5 | Adapter | |
| 43 | 1***3 | ADAPTER | |
| 44 | 2***2 | CLIP;BAND | |
| 45 | S***3 | BOLT M12X1.75X80 | |
| 46 | S***3 | WASHER;SPRING M10 | |
| 47 | 1***5 | CLIP D32/M8 | |
| 48 | 1***2 | BRACKET | |
| 5 | S***6 | BOLT;SOCKET | |
| 6 | S***1 | O-ring | |
| 7 | 2***4 | ADAPTER;S PFO-PF1/4 | |
| 8 | S***1 | O-RING | |
| 9 | 1***3 | BRACKET |
Содержащиеся в справочниках-каталогах запасные части и детали не предлагаются к продаже, а носят исключительно информационный характер. В демо-версии артикулы (номера деталей) скрыты. Если вы хотите видеть полные оригинальные номера запчастей, вам необходимо зарегистрироваться на нашем сайте и приобрести подписку по интересующей вас конфигурации, после этого вы сможете встроить онлайн-каталоги на ваш сайт или пользоваться ими из личного кабинета нашего сайта. Обращаем ваше внимание на то, что каталоги содержат информацию об оригинальных заводских номерах и названиях запчастей. База по аналогам в данный момент не реализована. Поиска по VIN-номерам в онлайн-каталоге не предусмотрено. Выбор конкретного каталога осуществляется путем открытия нужного типа техники, марки, модели с учетом года выпуска или модификации.