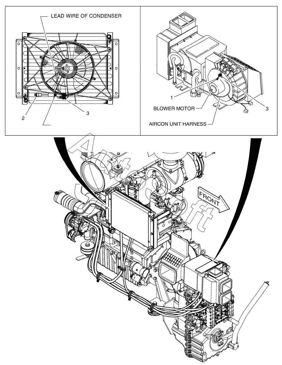
Каталог запасных частей к технике: Doosan DL200 (2010). NOISE FILTER (AC)

1
2
3
3
Позиция на иллюстрации | Заводской номер детали | Название детали | |
---|---|---|---|
К1024095 | К***5 | NOISE FILTER (AC) | |
1 | 2***2 | FILTER;NOISE(BLOWER) | |
2 | 2***3 | FILTER;NOISE(CONDENSER) | |
3 | 2***2 | CLIP;BAND (200L) |
Содержащиеся в справочниках-каталогах запасные части и детали не предлагаются к продаже, а носят исключительно информационный характер. В демо-версии артикулы (номера деталей) скрыты. Если вы хотите видеть полные оригинальные номера запчастей, вам необходимо зарегистрироваться на нашем сайте и приобрести подписку по интересующей вас конфигурации, после этого вы сможете встроить онлайн-каталоги на ваш сайт или пользоваться ими из личного кабинета нашего сайта. Обращаем ваше внимание на то, что каталоги содержат информацию об оригинальных заводских номерах и названиях запчастей. База по аналогам в данный момент не реализована. Поиска по VIN-номерам в онлайн-каталоге не предусмотрено. Выбор конкретного каталога осуществляется путем открытия нужного типа техники, марки, модели с учетом года выпуска или модификации.