Каталог запасных частей к технике: Doosan DL200 (2010). TURBO CHARGER

13
34
34
33
32
32
31
30
19
18
17
17
16
15
14
14
1
12
11
10
10
9
8
8
7
6
5
4
3
2
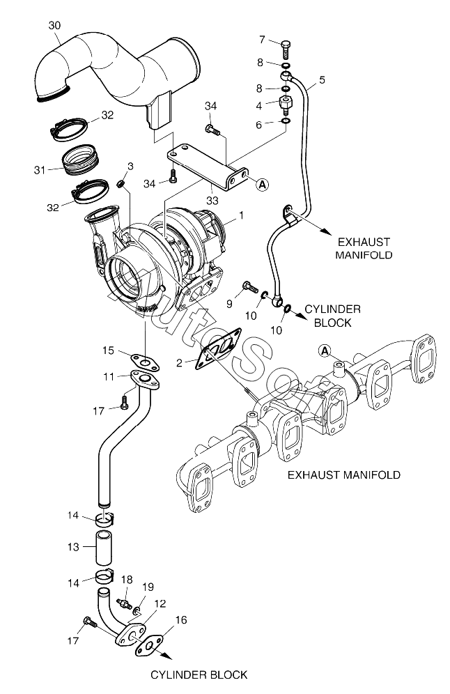
Позиция на иллюстрации | Заводской номер детали | Название детали | |
---|---|---|---|
1 | 6***4 | TURBOCHARGER ASS'Y | |
2 | 6***A | GASKET | |
3 | 6***1 | Nut | |
4 | 6***A | ADAPTER | |
5 | 6***9 | PIPE, OIL | |
6 | 0***9 | Ring | |
7 | 0***3 | Screw | |
8 | 0***4 | Ring | |
9 | 0***3 | Screw | |
10 | 0***4 | Ring | |
11 | 6***0 | PIPE, OIL | |
12 | 6***9 | PIPE, OIL | |
13 | 6***A | Hose | |
14 | 0***4 | CLAMP;HOSE | |
15 | 6***7 | Gasket | |
16 | 6***2 | GASKET, PIPE-BLOCK | |
17 | 0***4 | Bolt | |
18 | 6***5 | BOLT, SPACER | |
19 | 0***7 | Washer | |
30 | 6***4 | PIPE, INLET | |
31 | 6***3 | HOSE, RUBBER | |
32 | 6***3 | CLAMP | |
33 | 6***5 | BRACKET | |
34 | 0***5 | Bolt |
Содержащиеся в справочниках-каталогах запасные части и детали не предлагаются к продаже, а носят исключительно информационный характер. В демо-версии артикулы (номера деталей) скрыты. Если вы хотите видеть полные оригинальные номера запчастей, вам необходимо зарегистрироваться на нашем сайте и приобрести подписку по интересующей вас конфигурации, после этого вы сможете встроить онлайн-каталоги на ваш сайт или пользоваться ими из личного кабинета нашего сайта. Обращаем ваше внимание на то, что каталоги содержат информацию об оригинальных заводских номерах и названиях запчастей. База по аналогам в данный момент не реализована. Поиска по VIN-номерам в онлайн-каталоге не предусмотрено. Выбор конкретного каталога осуществляется путем открытия нужного типа техники, марки, модели с учетом года выпуска или модификации.