Каталог запасных частей к технике: Doosan DL200 (2010). FUEL SYSTEM

50
30
31
32
33
34
35
36
36
36
36
36
19
51
52
53
57
57
57
57
57
11
2
3
4
5
6
7
8
9
9
10
1
12
13
13
13
13
14
15
15
15
15
16
16
16
16
17
18
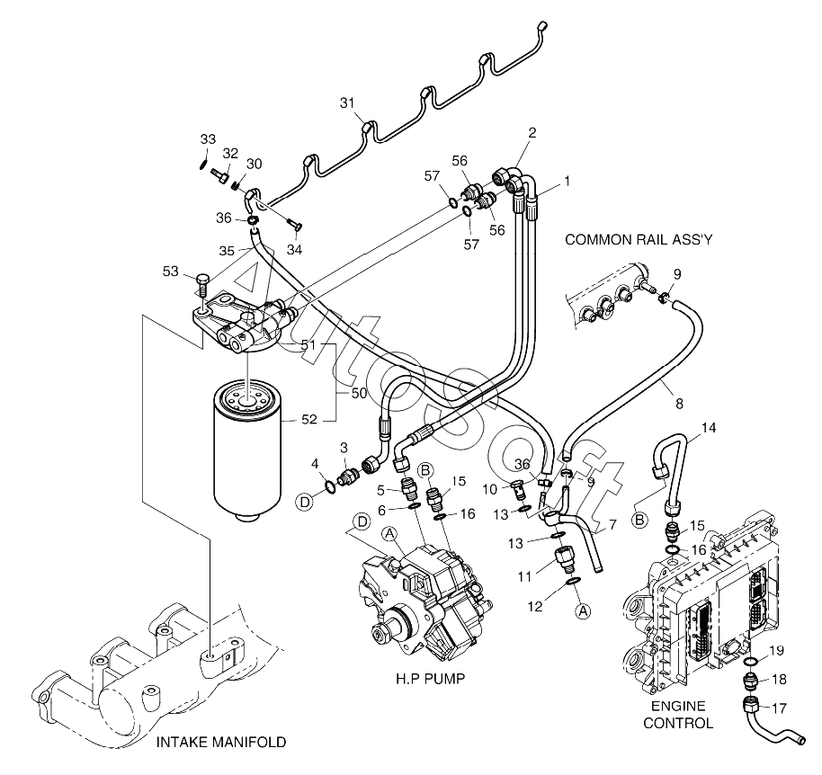
Позиция на иллюстрации | Заводской номер детали | Название детали | |
---|---|---|---|
1 | 6***1 | HOSE, FUEL | |
2 | 6***1 | HOSE, FUEL | |
3 | 6***1 | ADAPTER | |
4 | 0***4 | Ring | |
5 | 6***9 | ADAPTER | |
6 | 0***6 | Ring | |
6 | 6***3 | Ring | |
7 | 6***1 | PIPE, FUEL | |
8 | 6***8 | HOSE, RUBBER, RING JOIN | |
8 | 6***B | HOSE, RUBBER, RING JOIN | |
9 | 6***5 | CLAMP, HOSE | |
10 | 0***4 | Screw | |
11 | 6***A | ADAPTER | |
12 | 0***4 | Ring | |
13 | 0***6 | Ring | |
13 | 6***3 | Ring | |
14 | 6***9 | PIPE, FUEL | |
15 | 0***6 | Screw | |
15 | 6***9 | ADAPTER | |
16 | 0***6 | Ring | |
16 | 6***3 | Ring | |
17 | 6***8 | PIPE, FUEL | |
18 | 6***9 | ADAPTER | |
19 | 0***6 | Ring | |
19 | 6***3 | Ring | |
30 | 6***5 | Ring | |
31 | 6***A | PIPE, FUEL | |
31 | 6***B | PIPE, FUEL | |
32 | 6***4 | Adapter | |
33 | 0***2 | Ring | |
34 | 6***A | Screw | |
35 | 6***2 | HOSE, RUBBER | |
35 | 6***A | HOSE, RUBBER | |
36 | 6***3 | CLAMP, HOSE | |
36 | 6***5 | CLAMP, HOSE | |
50 | 6***2 | FUEL FILTER ASS'Y | |
50 | 6***A | FUEL FILTER ASSY | |
50 | 6***B | FUEL FILTER ASSY | |
50 | 6***С | FUEL FILTER ASS`Y | |
51 | 6***7 | COVER, FUEL FILTER | |
51 | 6***8 | Head, fuel filter | |
52 | 6***6 | FILTER, E/G FUEL | |
52 | 6***А | FILTER, E/G FUEL | |
53 | 0***7 | BOLT ASSY M10X30 | |
55 | 6***9 | ADAPTER | |
57 | 0***6 | Ring | |
57 | 6***3 | Ring |
Содержащиеся в справочниках-каталогах запасные части и детали не предлагаются к продаже, а носят исключительно информационный характер. В демо-версии артикулы (номера деталей) скрыты. Если вы хотите видеть полные оригинальные номера запчастей, вам необходимо зарегистрироваться на нашем сайте и приобрести подписку по интересующей вас конфигурации, после этого вы сможете встроить онлайн-каталоги на ваш сайт или пользоваться ими из личного кабинета нашего сайта. Обращаем ваше внимание на то, что каталоги содержат информацию об оригинальных заводских номерах и названиях запчастей. База по аналогам в данный момент не реализована. Поиска по VIN-номерам в онлайн-каталоге не предусмотрено. Выбор конкретного каталога осуществляется путем открытия нужного типа техники, марки, модели с учетом года выпуска или модификации.