Каталог запасных частей к технике: Doosan DL200 (2010). ENGINE MOUNTING

1
2
3
4
5
6
7
7
8
8
9
9
9
9
10
10
10
10
11
11
11
11
12
12
12
12
12
12
12
12
13
13
14
14
15
15
15
15
16
17
18
19
20
20
21
21
21
21
21
21
21
21
22
23
23
23
24
24-1
24-2
24-3
24-4
25
26
27
27
28
28
29
30
31
31
31
31
32
33
34
35
36
37
38
39
40
41
41
42
42
43
44
45
46
47
48
49
50
50
51
51
52
53
54
55
56
57
58
59
60
61
61
61
61
61
61
61
61-1
61-1
61-2
61-2
61-2
61-2
61-2
61-3
62
63
64
65
66
67
69
69
70
70
71
71
72
72
72
72
72
72
73
73
74
75
76
76
77
78
79
80
81
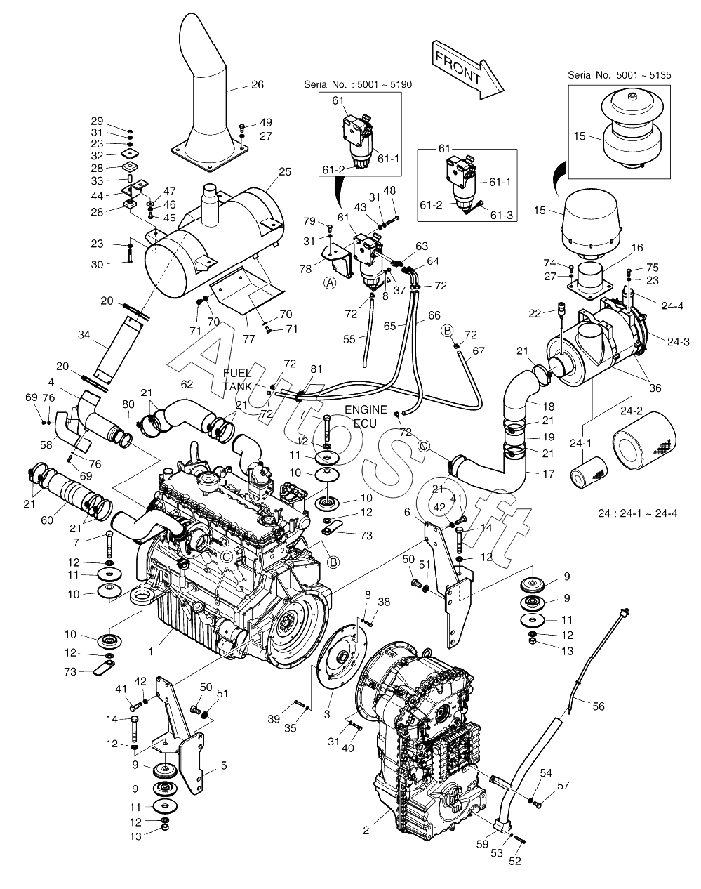
Позиция на иллюстрации | Заводской номер детали | Название детали | |
---|---|---|---|
K1017225E | K***E | ENGINE MOUNTING | |
1 | K***9 | ENGINE (TIER-3) | |
1 | K***1 | ENGINE (TIER-2) | |
10 | 1***3 | RUBBER, E/G MOUNTING | |
11 | 2***9 | WASHER;BUMP | |
12 | 2***A | WASHER;HARD | |
13 | S***3 | Nut | |
14 | S***6 | BOLT M20X1.5X120 | |
15 | K***3 | Pre-cleaner | |
15 | K***1 | Pre cleaner | |
16 | K***A | PIPE | |
16 | K***B | PIPE | |
17 | K***4 | HOSE, AIR | |
18 | K***6 | HOSE, AIR | |
19 | K***3 | PIPE, AIR | |
2 | K***7 | TRANSMISSION | |
2 | K***B | TRANSMISSION | |
20 | 4***C | CLAMP, PIPE | |
21 | S***0 | CLAMP, HOSE | |
22 | 1***4 | INDICATOR | |
23 | 2***3 | WASHER | |
24 | 2***7 | AIR CLEANER | |
24-1 | 4***9 | ELEMENT, INNER | |
24-2 | 4***0 | ELEMENT, OUTER | |
24-3 | 2***5 | COVER | |
24-4 | 2***0 | VALVE | |
25 | K***A | MUFFLER | |
26 | 2***5 | PIPE, MUFFLER | |
27 | 2***6 | WASHER | |
28 | 1***6 | RUBBER | |
29 | S***3 | NUT M10X1.5 | |
3 | K***7 | ADAPTER | |
30 | S***6 | BOLT | |
30 | S***6 | BOLT | |
31 | S***3 | WASHER;SPRING M10 | |
32 | 1***3 | WASHER | |
33 | 1***4 | SPACER | |
34 | K***3 | PIPE, EXHAUST | |
35 | S***3 | WASHER;SPRING | |
36 | 1***A | BAND | |
37 | S***3 | NUT M8X1.25 | |
38 | S***6 | BOLT M8X1.25X30 | |
39 | S***6 | BOLT;SOCKET M10X1.5X70 | |
4 | K***B | PIPE, EXHAUST | |
40 | S***6 | Bolt | |
41 | S***6 | BOLT M16X2.0X50 | |
42 | S***3 | WASHER;SPRING | |
43 | 2***5 | WASHER M10 | |
44 | K***5 | BRACKET | |
45 | S***6 | BOLT | |
46 | S***3 | WASHER;SPRING M10 | |
47 | 2***0 | WASHER;PLAIN | |
48 | S***6 | BOLT | |
49 | 2***2 | BOLT | |
5 | K***A | BRACKET | |
50 | S***6 | BOLT M20X2.5X40 | |
51 | S***3 | WASHER;SPRING | |
52 | S***6 | BOLT | |
53 | S***3 | WASHER;SPRING | |
54 | S***3 | Washer | |
55 | D***5 | HOSE | |
56 | 4***2 | DIPSTICK | |
57 | S***6 | BOLT | |
58 | K***3 | PLATE | |
59 | K***8 | PIPE | |
6 | K***2 | BRACKET | |
60 | K***A | HOSE, AIR | |
61 | K***0 | PRE FUEL FILTER ASSY | |
61 | K***5 | PRE FUEL FILTER ASS'Y | |
61-1 | K***0 | FILTER, PRE FUEL | |
61-2 | K***3 | BOWL | |
61-2 | K***2 | BOWL | |
61-3 | K***0 | SENSOR, WATER | |
62 | K***2 | HOSE, AIR | |
62 | K***A | HOSE, AIR | |
63 | D***4 | ADAPTER | |
64 | K***4 | ELBOW | |
65 | 2***3 | HOSE 1230L | |
66 | 2***7 | HOSE | |
67 | 2***5 | HOSE, FUEL | |
69 | S***6 | BOLT | |
7 | S***6 | BOLT | |
70 | 2***5 | WASHER;SPRING M10 | |
71 | 2***4 | BOLT M10X1.5X20 | |
72 | S***2 | CLAMP;HOSE | |
73 | K***5 | E/G MOUNT NUT | |
74 | 2***7 | Bolt | |
75 | 2***1 | BOLT M10X1.5X30 | |
76 | S***3 | WASHER;PLAIN M8 | |
77 | K***1 | PLATE | |
78 | K***A | BRACKET | |
79 | S***6 | BOLT | |
8 | S***3 | WASHER;SPRING | |
80 | K***2 | CLAMP, HOSE | |
81 | 2***2 | BUSHING, RUBBER | |
9 | 1***2 | MOUNT, T/M |
Содержащиеся в справочниках-каталогах запасные части и детали не предлагаются к продаже, а носят исключительно информационный характер. В демо-версии артикулы (номера деталей) скрыты. Если вы хотите видеть полные оригинальные номера запчастей, вам необходимо зарегистрироваться на нашем сайте и приобрести подписку по интересующей вас конфигурации, после этого вы сможете встроить онлайн-каталоги на ваш сайт или пользоваться ими из личного кабинета нашего сайта. Обращаем ваше внимание на то, что каталоги содержат информацию об оригинальных заводских номерах и названиях запчастей. База по аналогам в данный момент не реализована. Поиска по VIN-номерам в онлайн-каталоге не предусмотрено. Выбор конкретного каталога осуществляется путем открытия нужного типа техники, марки, модели с учетом года выпуска или модификации.