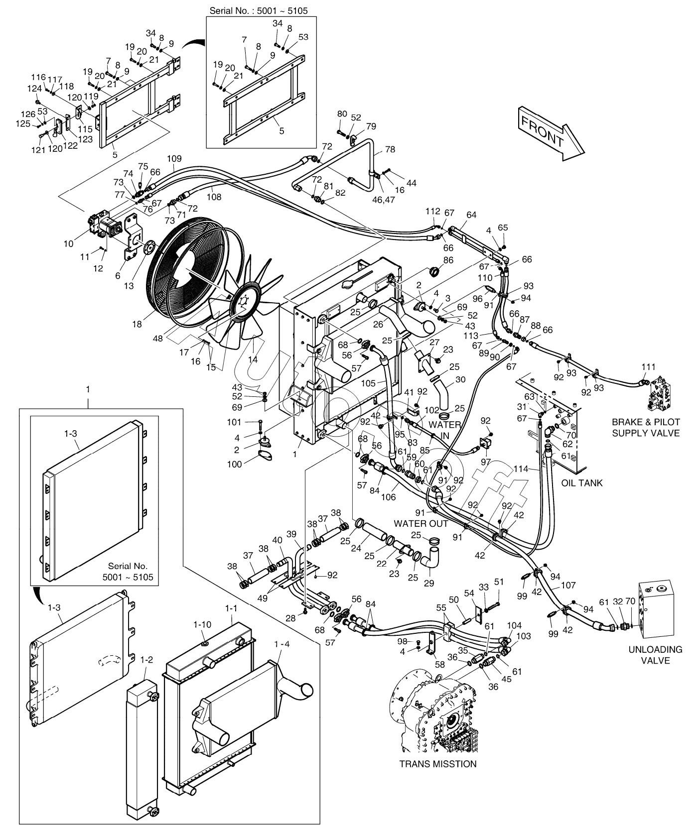
Каталог запасных частей к технике: Doosan DL200 (2010). COOLER PIPING

1
1
1
1
1
1
1-1
1-2
1-3
1-3
1-3
1-3
1-4
1-10
2
2
3
4
4
4
4
5
5
5
5
6
7
7
8
8
8
8
9
9
9
9
10
11
12
13
14
15
16
16
17
18
19
19
19
20
20
20
21
21
21
22
23
23
24
25
25
25
25
25
25
25
25
26
27
28
29
30
31
32
33
34
34
34
34
35
36
36
37
37
38
38
38
38
39
40
41
42
42
42
42
42
43
43
44
45
46
47
48
49
50
51
52
52
52
53
53
53
53
53
54
55
56
56
56
57
57
57
58
59
60
61
61
61
61
61
61
62
63
64
65
66
66
66
66
66
67
67
67
67
67
67
68
68
68
69
69
70
70
71
72
72
72
73
73
74
75
76
77
78
79
80
81
82
83
84
84
85
86
87
88
89
90
91
91
91
91
92
92
92
92
92
92
92
92
92
92
93
93
93
94
94
94
95
96
97
98
99
99
100
101
102
103
104
105
106
107
108
109
110
111
112
113
114
115
116
117
118
119
120
120
121
122
123
124
125
126
Позиция на иллюстрации | Заводской номер детали | Название детали | |
---|---|---|---|
420212-01697 | 4***7 | PIPING, COOLER, COMMON | |
DS20131076 | D***6 | HOSE | |
K1016269K | K***K | COOLER PIPING | |
K1037627 | K***7 | GUARD, FAN | |
K1037627A | K***A | GUARD, FAN | |
K1038881A | K***A | BRACKET | |
1 | K***B | RADIATOR | |
1 | K***C | RADIATOR | |
1-1 | K***7 | RADIATOR | |
1-1 | K***A | RADIATOR | |
1-10 | K***4 | CAP | |
1-2 | K***9 | HYD OIL COOLER | |
1-2 | K***A | HYD OIL COOLER | |
1-3 | K***1 | T/M OIL COOLER | |
1-3 | K***A | T/M OIL COOLER | |
1-4 | K***0 | INTER COOLER | |
10 | K***5 | MOTOR, FAN | |
10 | K***1 | MOTOR, FAN (Bi-DIRECTION) | |
100 | K***A | PLATE | |
101 | S***6 | BOLT | |
102 | D***0 | HOSE | |
103 | D***9 | HOSE | |
104 | D***0 | HOSE | |
105 | D***6 | HOSE | |
106 | D***6 | HOSE | |
107 | D***7 | HOSE | |
108 | D***5 | HOSE | |
109 | D***4 | HOSE | |
11 | S***6 | Bolt | |
110 | D***4 | HOSE | |
111 | D***5 | HOSE | |
112 | D***7 | HOSE | |
113 | D***6 | HOSE | |
114 | D***8 | HOSE | |
115 | 1***B | BRACKET | |
116 | 2***6 | BOLT | |
117 | 2***4 | WASHER;SPRING M8 | |
118 | 2***8 | WASHER;PLAIN | |
119 | S***3 | NUT M8X1.25 | |
12 | S***3 | WASHER;SPRING | |
120 | 2***9 | WASHER | |
121 | 2***4 | STRIKER | |
122 | K***1 | LATCH | |
123 | K***1 | BRACKET | |
124 | D***6 | BOLT, SET | |
125 | 2***6 | BOLT M6X1.0X20 | |
126 | 2***3 | WASHER;SPRING M6 | |
13 | 2***A | HUB | |
14 | 9***6 | FAN, COOLING | |
15 | S***6 | BOLT | |
16 | S***3 | WASHER;SPRING | |
17 | S***3 | WASHER;PLAIN M8 | |
18 | 1***A | FAN GUARD ASS'Y | |
19 | 2***8 | BOLT | |
2 | K***6 | DAMPER | |
20 | 2***5 | WASHER;SPRING M10 | |
21 | 2***1 | WASHER | |
22 | K***6 | PIPE, WATER | |
23 | D***3 | BOLT | |
24 | D***1 | HOSE | |
25 | S***7 | CLAMP | |
26 | K***8 | HOSE, WATER | |
27 | K***2 | PIPE, WATER | |
28 | D***7 | BOLT | |
29 | K***A | HOSE, WATER | |
3 | S***6 | BOLT | |
30 | K***2 | HOSE, WATER | |
31 | 2***4 | ELBOW | |
32 | D***0 | Adapter | |
33 | S***3 | WASHER;SPRING | |
34 | 2***5 | BOLT | |
34 | 2***0 | BOLT | |
35 | D***2 | ADAPTER | |
36 | S***1 | O-RING | |
37 | D***5 | HOSE | |
38 | S***4 | CLAMP | |
39 | K***4 | PIPE | |
4 | S***3 | WASHER;SPRING M10 | |
40 | K***5 | PIPE | |
41 | K***1 | BRACKET | |
42 | 1***6 | CLIP D38/M8 | |
43 | S***3 | NUT M12 | |
44 | S***6 | BOLT | |
45 | K***1 | ADAPTER | |
46 | K***0 | CLAMP | |
47 | K***1 | CLAMP | |
48 | 1***5 | TRIM | |
49 | K***2 | COVER, BAFFLE | |
49 | K***A | COVER, BAFFLE | |
5 | K***3 | BRACKET | |
5 | K***5 | BRACKET | |
50 | 1***6 | SPACER | |
51 | S***6 | BOLT | |
52 | S***3 | WASHER;SPRING M10 | |
53 | 2***7 | Washer | |
53 | 2***5 | WASHER;PLAIN M6 | |
54 | K***0 | PLATE | |
55 | 1***7 | CLAMP, HOSE | |
56 | 2***3 | Flange | |
57 | S***6 | BOLT M10X1.5X35 | |
58 | K***A | BRACKET | |
59 | D***5 | Adapter | |
6 | K***8 | BRACKET | |
6 | K***4 | BRACKET | |
60 | 1***9 | Nut | |
61 | S***1 | O-RING | |
62 | 2***1 | ELBOW | |
63 | S***1 | O-RING | |
64 | K***9 | PIPE | |
65 | S***6 | BOLT | |
66 | S***1 | O-RING | |
67 | S***1 | O-RING | |
68 | 2***9 | O-RING | |
69 | D***1 | WASHER | |
7 | 2***1 | Bolt | |
70 | S***1 | O-RING | |
71 | D***2 | ADAPTER | |
72 | S***1 | O-RING | |
73 | S***1 | O-RING | |
74 | D***2 | ADAPTER | |
75 | 1***2 | SCREW, COUPLING | |
76 | D***2 | ADAPTER | |
77 | S***1 | O-RING | |
78 | K***6 | PIPE | |
79 | 2***2 | CLAMP | |
8 | 2***6 | WASHER | |
80 | S***6 | BOLT | |
81 | 2***5 | ADAPTER | |
82 | S***1 | O-RING | |
83 | 2***7 | ADAPTER PFO3/8-PF3/8 | |
84 | 1***7 | BUSHING, RUBBER | |
85 | 2***8 | BUSHING, RUBBER | |
86 | 5***0 | GAUGE, COOLANT SIGHT | |
87 | 1***3 | ADAPTER, CONNECTOR | |
88 | 1***5 | Nut | |
89 | D***1 | ADAPTER | |
9 | 2***6 | Washer | |
9 | 2***6 | Washer | |
90 | D***1 | NUT | |
91 | 1***2 | CLIP D14/M8 | |
92 | K***9 | BOLT | |
93 | 1***4 | CLIP D26/M8 | |
94 | 2***5 | NUT M8X1.25 | |
95 | S***1 | O-RING | |
96 | 2***9 | BOLT | |
97 | 1***A | COCK ASSY | |
98 | S***6 | BOLT | |
99 | 1***9 | BOLT;STUD |
Содержащиеся в справочниках-каталогах запасные части и детали не предлагаются к продаже, а носят исключительно информационный характер. В демо-версии артикулы (номера деталей) скрыты. Если вы хотите видеть полные оригинальные номера запчастей, вам необходимо зарегистрироваться на нашем сайте и приобрести подписку по интересующей вас конфигурации, после этого вы сможете встроить онлайн-каталоги на ваш сайт или пользоваться ими из личного кабинета нашего сайта. Обращаем ваше внимание на то, что каталоги содержат информацию об оригинальных заводских номерах и названиях запчастей. База по аналогам в данный момент не реализована. Поиска по VIN-номерам в онлайн-каталоге не предусмотрено. Выбор конкретного каталога осуществляется путем открытия нужного типа техники, марки, модели с учетом года выпуска или модификации.