Каталог запасных частей к технике: Doosan DL200TC (2010). TIMING SYSTEM

35
23
23
24
25
25
26
30
31
32
33
34
22
22
40
41
42
43
44
45
47
48
49
50
11
11
11
11
11
2
3
3
4
4
5
5
6
6
7
7
8
9
10
11
11
11
11
11
1
12
12
12
12
12
12
13
14
15
16
16
17
17
17
18
18
18
19
19
20
21
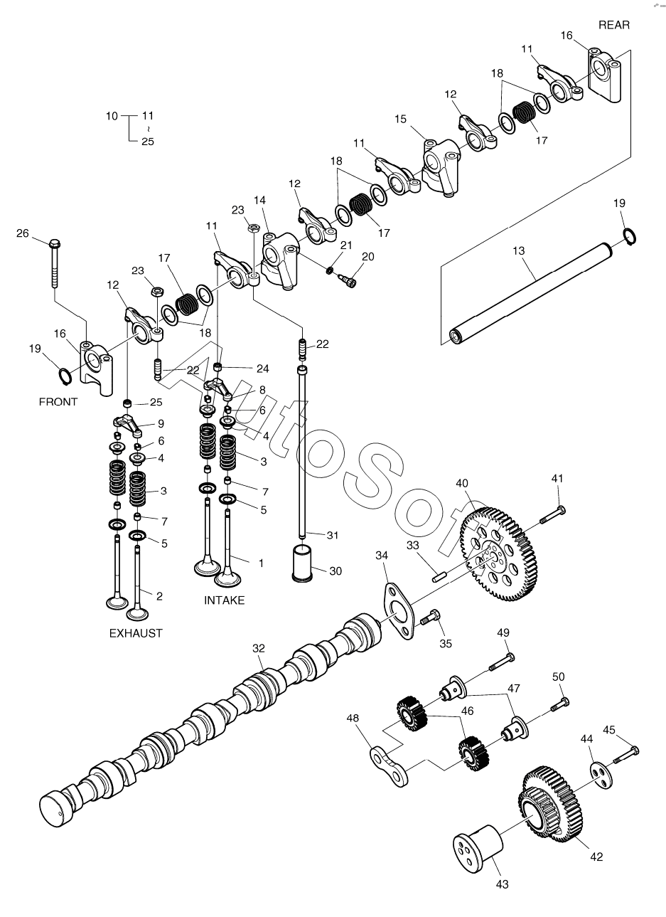
Позиция на иллюстрации | Заводской номер детали | Название детали | |
---|---|---|---|
1 | 6***B | VALVE, INTAKE | |
2 | 6***B | VALVE, EXHAUST | |
3 | 6***4 | SPRING, VALVE | |
4 | 6***8 | PLATE, VALVE SPRING | |
5 | 6***8 | WASHER | |
6 | 6***9 | COTTER, VALVE | |
7 | 6***6 | SEAL, VALVE STEM | |
8 | 6***A | CALIPER, INTAKE | |
9 | 6***1 | CALIPER, EXHAUST | |
10 | 6***B | ROCKER ARM S/F ASS'Y | |
10 | 6***C | ROCKER ARM S/F ASSY | |
11 | 6***B | ROCKER ARM, INTAKE | |
11 | 6***C | ROCKER ARM, INTAKE | |
12 | 6***B | ROCKER ARM, EXHAUST | |
12 | 6***C | ROCKER ARM, EXHAUST | |
13 | 6***A | SHAFT, ROCKER ARM | |
14 | 6***3 | BRACKET, ROCKER ARM | |
15 | 6***4 | BRACKET, ROCKER ARM | |
16 | 6***5 | BRACKET, ROCKER ARM | |
17 | 6***4 | SPRING, COMPESSION | |
18 | 6***B | Washer | |
19 | 0***0 | Ring | |
20 | 6***8 | BOLT, SOCKET | |
21 | 0***6 | Washer | |
22 | 6***4 | SCREW, ADJUST | |
23 | 6***3 | NUT | |
24 | 6***5 | CAP, ADJUST SCREW | |
24 | 6***2 | CAP, INTAKE | |
25 | 6***6 | CAP, EXHAUST | |
26 | 6***0 | BOLT, COLLARED HEX. | |
30 | 6***B | TAPPET, VALVE | |
30 | 6***C | TAPPET, VALVE | |
31 | 6***5 | ROD, PUSH | |
32 | 6***A | CAMSHAFT | |
33 | 0***6 | PIN, DOWEL | |
34 | 6***2 | WASHER, THRUST | |
35 | 0***1 | BOLT;HEXM6X16 | |
40 | 6***7 | GEAR, CAM SHAFT | |
41 | 6***7 | BOLT, COLLARED HEX. | |
42 | 6***8 | GEAR, IDLE | |
43 | 6***6 | PIN, IDLE GEAR | |
44 | 6***В | WASHER, THRUST | |
45 | 6***2 | GEAR, DRIVE, INJECTION | |
45 | 6***8 | BOLT, COLLARED HEX. | |
47 | 6***5 | PIN, IDLE GEAR | |
48 | 6***А | WASHER, THRUST | |
49 | 6***8 | BOLT, COLLARED HEX. | |
50 | 6***9 | BOLT, COLLARED HEX. |
Содержащиеся в справочниках-каталогах запасные части и детали не предлагаются к продаже, а носят исключительно информационный характер. В демо-версии артикулы (номера деталей) скрыты. Если вы хотите видеть полные оригинальные номера запчастей, вам необходимо зарегистрироваться на нашем сайте и приобрести подписку по интересующей вас конфигурации, после этого вы сможете встроить онлайн-каталоги на ваш сайт или пользоваться ими из личного кабинета нашего сайта. Обращаем ваше внимание на то, что каталоги содержат информацию об оригинальных заводских номерах и названиях запчастей. База по аналогам в данный момент не реализована. Поиска по VIN-номерам в онлайн-каталоге не предусмотрено. Выбор конкретного каталога осуществляется путем открытия нужного типа техники, марки, модели с учетом года выпуска или модификации.