Каталог запасных частей к технике: Doosan DL200TC (2010). STEERING ASSY

13
13
27
26
25
24
23
22
21
20
19
19
18
17
16
15
14
12
11
10
9
9
9
9
8
8
8
8
7
6
5
4
3
2
1
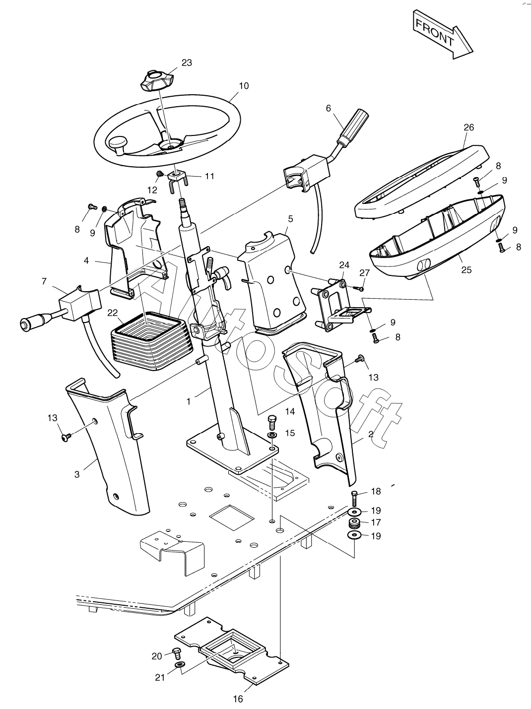
Позиция на иллюстрации | Заводской номер детали | Название детали | |
---|---|---|---|
K1016774C | K***C | STEERING COLUMN ASS'Y | |
1 | K***4 | COLUMN | |
2 | K***9 | COVER | |
3 | K***0 | COVER | |
4 | K***3 | COVER | |
5 | K***4 | COVER | |
6 | 4***2 | SWITCH, SELECTOR (L.H) | |
7 | 4***8 | SWITCH, COLUMN | |
7 | 4***A | SWITCH, COLUMN (R.H) | |
8 | 2***8 | SCREW M5X0.8X14 | |
9 | 2***4 | WASHER;PLAIN M5 | |
10 | K***4 | WHEEL | |
11 | 4***C | STRIKER | |
12 | S***3 | BOLT M6X1.0X8 | |
13 | 2***0 | SCREW M6X1.0X14 | |
14 | 2***2 | BOLT | |
15 | 2***6 | Washer | |
16 | K***B | PLATE | |
17 | 4***6 | MOUNT, FLEX | |
18 | 2***9 | BOLT M10X1.5X40 | |
19 | 2***6 | WASHER | |
20 | 2***4 | BOLT M10X1.5X20 | |
21 | 2***1 | WASHER | |
22 | K***3 | BOOT | |
23 | K***9 | CAP, OPERATOR | |
24 | K***6 | COVER | |
25 | K***A | COVER | |
26 | K***A | COVER | |
27 | 2***5 | BOLT |
Содержащиеся в справочниках-каталогах запасные части и детали не предлагаются к продаже, а носят исключительно информационный характер. В демо-версии артикулы (номера деталей) скрыты. Если вы хотите видеть полные оригинальные номера запчастей, вам необходимо зарегистрироваться на нашем сайте и приобрести подписку по интересующей вас конфигурации, после этого вы сможете встроить онлайн-каталоги на ваш сайт или пользоваться ими из личного кабинета нашего сайта. Обращаем ваше внимание на то, что каталоги содержат информацию об оригинальных заводских номерах и названиях запчастей. База по аналогам в данный момент не реализована. Поиска по VIN-номерам в онлайн-каталоге не предусмотрено. Выбор конкретного каталога осуществляется путем открытия нужного типа техники, марки, модели с учетом года выпуска или модификации.