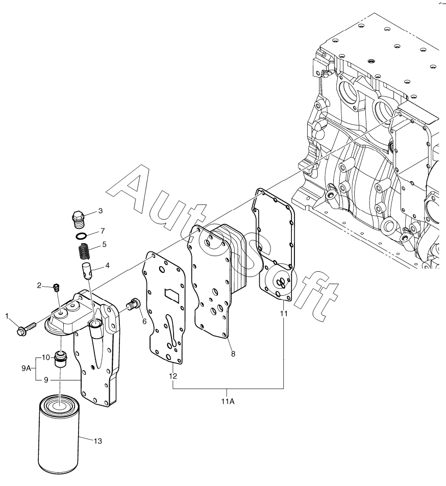
Каталог запасных частей к технике: Doosan DL160 (2009). OIL FILTER

1
2
3
4
5
6
7
8
9A
9
10
11A
11
12
13
Позиция на иллюстрации | Заводской номер детали | Название детали | |
---|---|---|---|
1 | K***0 | SCREW | |
10 | K***6 | ADAPTER, FILTER HEAD | |
11 | K***3 | GASKET, OIL COOLER CORE | |
11A | K***7 | SET, OIL COOLER GASKET | |
12 | K***7 | GASKET, FILTER HEAD | |
13 | K***3 | FILTER, ENGINE OIL | |
2 | K***3 | PLUG, PIPE | |
3 | K***1 | PLUG | |
4 | K***3 | PLUNGER | |
5 | K***5 | SPRING | |
6 | K***9 | VALVE, PRESSURE RELIEF | |
7 | K***2 | SEAL, O-RING | |
8 | K***4 | CORE, COOLER | |
9 | K***1 | HEAD, OIL FILTER | |
9A | K***3 | OIL FILTER HEAD ASSY |
Содержащиеся в справочниках-каталогах запасные части и детали не предлагаются к продаже, а носят исключительно информационный характер. В демо-версии артикулы (номера деталей) скрыты. Если вы хотите видеть полные оригинальные номера запчастей, вам необходимо зарегистрироваться на нашем сайте и приобрести подписку по интересующей вас конфигурации, после этого вы сможете встроить онлайн-каталоги на ваш сайт или пользоваться ими из личного кабинета нашего сайта. Обращаем ваше внимание на то, что каталоги содержат информацию об оригинальных заводских номерах и названиях запчастей. База по аналогам в данный момент не реализована. Поиска по VIN-номерам в онлайн-каталоге не предусмотрено. Выбор конкретного каталога осуществляется путем открытия нужного типа техники, марки, модели с учетом года выпуска или модификации.