Каталог запасных частей к технике: Doosan DL160 (2009). INJECTOR PIPE

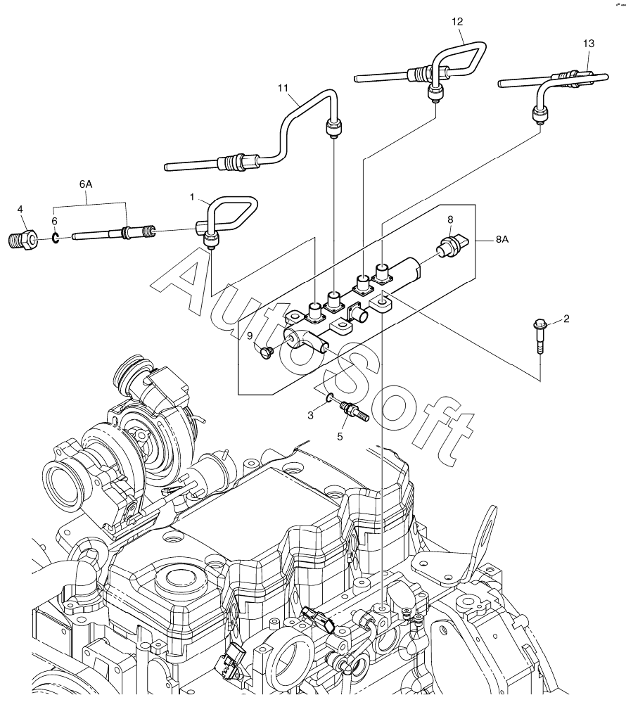
1
2
3
4
5
6A
6
8A
8
9
11
12
13
Позиция на иллюстрации | Заводской номер детали | Название детали | |
---|---|---|---|
1 | K***2 | TUBE, INJECTOR(NO.1) | |
11 | K***8 | TUBE, INJECTOR | |
12 | K***9 | TUBE, INJECTOR | |
13 | K***0 | TUBE, INJECTOR | |
2 | K***1 | SCREW, HEX FLANGE HEAD CA | |
3 | K***6 | WASHER, SEALING | |
4 | K***1 | RETAINER, INJ FUL SUP CNR | |
5 | K***8 | CONNECTOR | |
6 | K***3 | SEAL, O-RING | |
6A | K***5 | CONNECTOR, INJECTOR FUEL | |
8 | K***5 | SENSOR, PRESSURE | |
8A | K***6 | MANIFOLD, FUEL | |
9 | K***6 | VALVE, PRESSURE RELIEF |
Содержащиеся в справочниках-каталогах запасные части и детали не предлагаются к продаже, а носят исключительно информационный характер. В демо-версии артикулы (номера деталей) скрыты. Если вы хотите видеть полные оригинальные номера запчастей, вам необходимо зарегистрироваться на нашем сайте и приобрести подписку по интересующей вас конфигурации, после этого вы сможете встроить онлайн-каталоги на ваш сайт или пользоваться ими из личного кабинета нашего сайта. Обращаем ваше внимание на то, что каталоги содержат информацию об оригинальных заводских номерах и названиях запчастей. База по аналогам в данный момент не реализована. Поиска по VIN-номерам в онлайн-каталоге не предусмотрено. Выбор конкретного каталога осуществляется путем открытия нужного типа техники, марки, модели с учетом года выпуска или модификации.