Каталог запасных частей к технике: Doosan S500LC-V (2009). ELECTRIC PARTS (7) - ENGINE

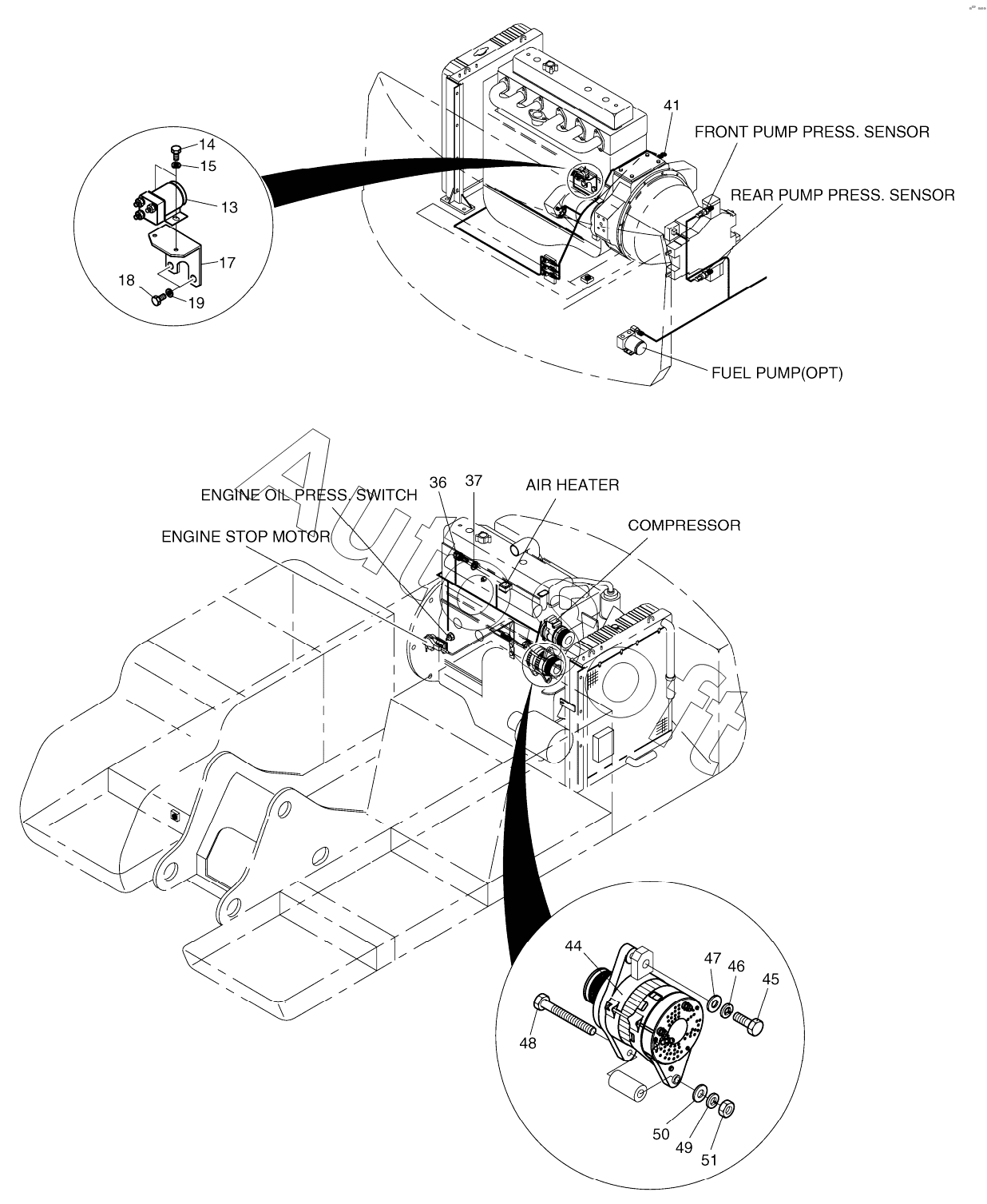
41
51
50
49
48
47
46
45
44
37
36
19
18
17
15
14
13
Позиция на иллюстрации | Заводской номер детали | Название детали | |
---|---|---|---|
500-00125 | 5***5 | ELECTRIC PARTS (6) | |
13 | 5***7 | RELAY;PREHEAT | |
14 | S***3 | BOLT M6X1.0X12 | |
15 | S***3 | WASHER;SPRING M6 | |
17 | 4***4 | BRACKET, RELAY | |
18 | S***1 | BOLT | |
19 | S***3 | WASHER;SPRING M10 | |
36 | 2***B | SENSOR;WATER TEMP | |
37 | S***1 | PACKING M16/D22 | |
41 | 2***5 | SENSOR;ENGINE SPEED | |
44 | 2***9 | Alternator | |
45 | S***3 | Bolt | |
46 | S***3 | WASHER;SPRING M10 | |
47 | 2***4 | WASHER | |
48 | S***3 | BOLT M12X1.75X160 | |
49 | S***3 | WASHER;SPRING M10 | |
50 | S***3 | WASHER;PLAIN | |
51 | S***3 | NUT M12 |
Содержащиеся в справочниках-каталогах запасные части и детали не предлагаются к продаже, а носят исключительно информационный характер. В демо-версии артикулы (номера деталей) скрыты. Если вы хотите видеть полные оригинальные номера запчастей, вам необходимо зарегистрироваться на нашем сайте и приобрести подписку по интересующей вас конфигурации, после этого вы сможете встроить онлайн-каталоги на ваш сайт или пользоваться ими из личного кабинета нашего сайта. Обращаем ваше внимание на то, что каталоги содержат информацию об оригинальных заводских номерах и названиях запчастей. База по аналогам в данный момент не реализована. Поиска по VIN-номерам в онлайн-каталоге не предусмотрено. Выбор конкретного каталога осуществляется путем открытия нужного типа техники, марки, модели с учетом года выпуска или модификации.