Каталог запасных частей к технике: Doosan S500LC-V (2009). ELECTRIC PARTS (8) - RELATED PARTS

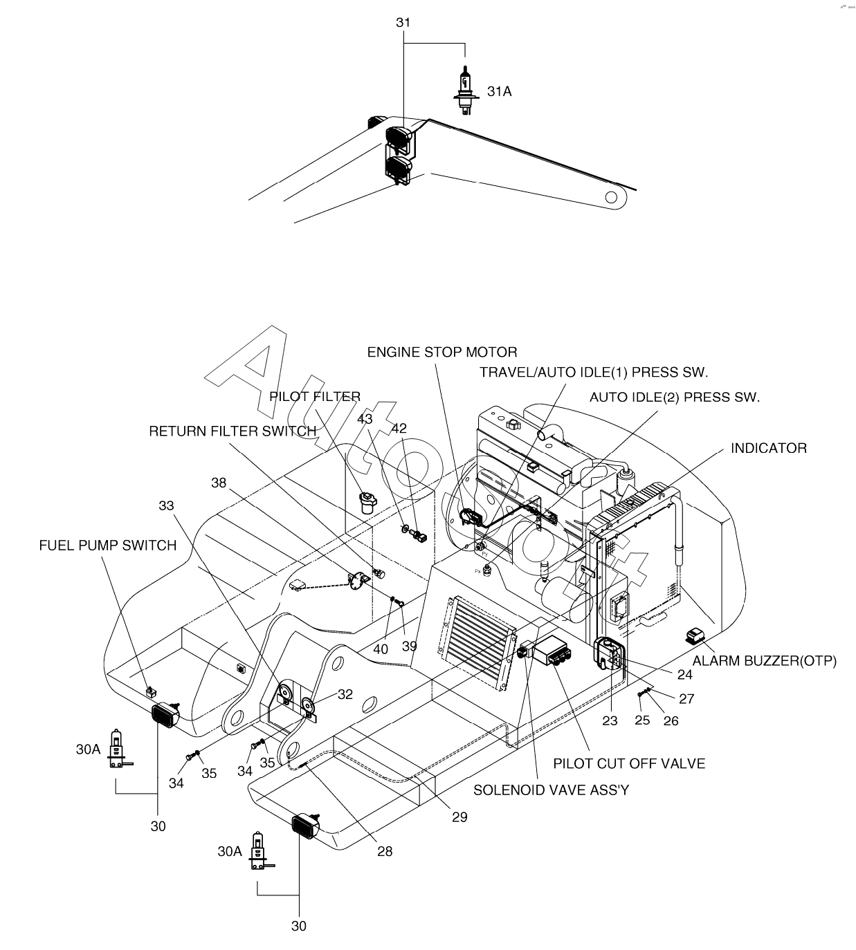
23
24
25
26
27
28
29
30
30
30A
30A
31
31A
32
33
34
34
35
35
38
38
39
40
42
43
Позиция на иллюстрации | Заводской номер детали | Название детали | |
---|---|---|---|
500-00125 | 5***5 | ELECTRIC PARTS (6) | |
23 | 2***A | WINDOW-WASHER | |
24 | 2***4 | BRACKET PL1.6 | |
25 | S***3 | BOLT M6X1.0X12 | |
26 | S***3 | WASHER;SPRING M6 | |
27 | S***3 | WASHER;PLAIN | |
28 | 2***8 | ADAPTER;HOSE | |
29 | 2***4 | Tube, corrugate | |
30 | 5***3 | Lamp, head | |
30A | 2***4 | BULB | |
31 | 5***4 | Lamp assy, working | |
31A | 2***1 | BULB;HALOGEN | |
32 | 5***4 | HORN;HIGH | |
33 | 5***5 | HORN;LOW | |
34 | S***3 | BOLT M8X1.25X16 | |
35 | S***3 | WASHER;SPRING | |
38 | 2***5 | SENSOR;FUEL | |
38 | 2***A | SENSOR;FUEL | |
39 | S***3 | SCREW M5X0.8X12 | |
40 | S***3 | WASHER;SPRING | |
42 | 2***B | SENSOR;WATER TEMP | |
43 | S***1 | PACKING M16/D22 |
Содержащиеся в справочниках-каталогах запасные части и детали не предлагаются к продаже, а носят исключительно информационный характер. В демо-версии артикулы (номера деталей) скрыты. Если вы хотите видеть полные оригинальные номера запчастей, вам необходимо зарегистрироваться на нашем сайте и приобрести подписку по интересующей вас конфигурации, после этого вы сможете встроить онлайн-каталоги на ваш сайт или пользоваться ими из личного кабинета нашего сайта. Обращаем ваше внимание на то, что каталоги содержат информацию об оригинальных заводских номерах и названиях запчастей. База по аналогам в данный момент не реализована. Поиска по VIN-номерам в онлайн-каталоге не предусмотрено. Выбор конкретного каталога осуществляется путем открытия нужного типа техники, марки, модели с учетом года выпуска или модификации.