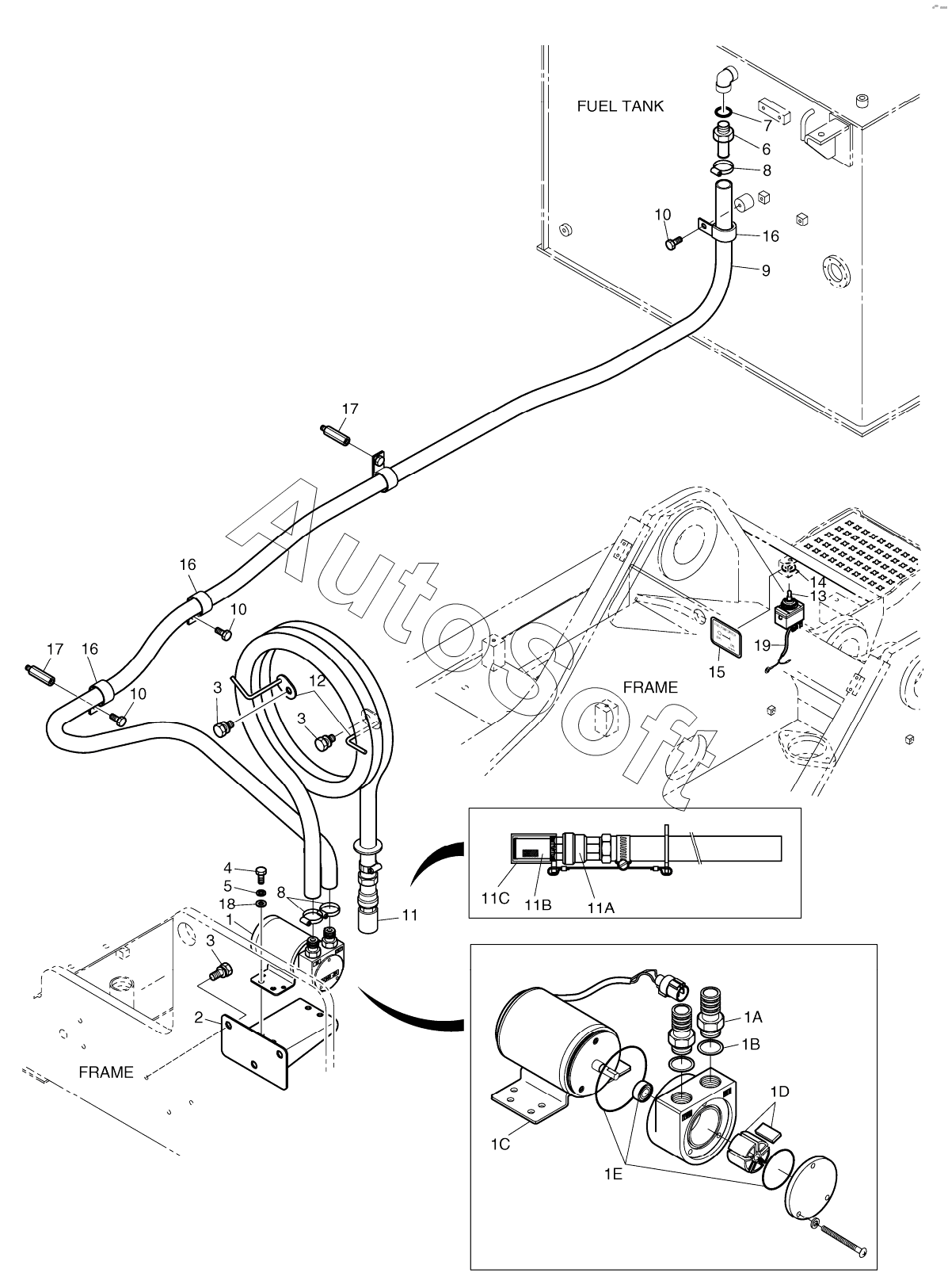
Каталог запасных частей к технике: Doosan S500LC-V (2009). FUEL FILLER PUMP ASSY

1
1A
1B
1C
1D
1E
2
3
3
3
4
5
6
7
8
8
9
10
10
10
11
11A
11B
11C
12
13
14
15
16
16
16
17
17
18
19
Позиция на иллюстрации | Заводской номер детали | Название детали | |
---|---|---|---|
401-00295 | 4***5 | FUEL FILLER PUMP ASSY -OPT | |
1 | 4***8 | Pump, fuel transfer | |
10 | 1***6 | BOLT M8X1.25X12 | |
11 | 1***3 | HOSE ASS'Y 3/4-4000L | |
11A | 2***8 | VALVE;CHECK | |
11B | 2***2 | STRAINER | |
11C | 2***6 | CAP;STRAINER | |
12 | 1***0 | Bracket | |
13 | 2***6 | SWITCH;TOGGLE | |
14 | 2***3 | Washer, toggle switch | |
15 | 1***9 | Plate, name | |
16 | 1***5 | CLIP D32/M8 | |
17 | 2***7 | BOLT;STUD M8X1.25X20/M8 | |
18 | S***3 | WASHER;PLAIN M8 | |
19 | 5***4 | Harness, toggle switch | |
1A | 2***B | ADAPTER | |
1B | S***1 | SEAL;WASHER | |
1C | 5***2 | Motor | |
1D | 4***1 | VANE KIT | |
1E | 2***T | SEAL KIT | |
2 | 1***8 | Bracket | |
3 | 2***0 | Bolt, set | |
4 | S***3 | BOLT M8X1.25X20 | |
5 | S***3 | WASHER;SPRING | |
6 | 2***6 | ADAPTER PF1/2 | |
7 | S***1 | O-RING | |
8 | S***3 | CLAMP | |
9 | 2***8 | HOSE 3000L |
Содержащиеся в справочниках-каталогах запасные части и детали не предлагаются к продаже, а носят исключительно информационный характер. В демо-версии артикулы (номера деталей) скрыты. Если вы хотите видеть полные оригинальные номера запчастей, вам необходимо зарегистрироваться на нашем сайте и приобрести подписку по интересующей вас конфигурации, после этого вы сможете встроить онлайн-каталоги на ваш сайт или пользоваться ими из личного кабинета нашего сайта. Обращаем ваше внимание на то, что каталоги содержат информацию об оригинальных заводских номерах и названиях запчастей. База по аналогам в данный момент не реализована. Поиска по VIN-номерам в онлайн-каталоге не предусмотрено. Выбор конкретного каталога осуществляется путем открытия нужного типа техники, марки, модели с учетом года выпуска или модификации.