Каталог запасных частей к технике: Doosan S500LC-V (2009). INJECTION PUMP

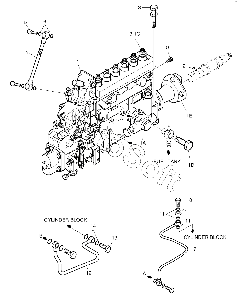
1
1
1A
1B
1C
1D
1E
2
3
4
5
6
7
9
10
11
11
12
13
14
Позиция на иллюстрации | Заводской номер детали | Название детали | |
---|---|---|---|
1 | 6***A | INJECTION PUMP | |
1 | 6***B | INJECTION PUMP | |
10 | 6***0 | SCREW, HOLLOW | |
11 | 0***4 | RING;SEAL | |
12 | 6***4 | PIPE, OIL | |
13 | 0***4 | Screw | |
14 | 0***6 | Ring | |
1A | 1***0 | FEED PUMP | |
1B | 1***0 | DELIVERY VALVE | |
1C | 1***0 | PLUNGER | |
1D | 1***0 | VALVE, OVER FLOW | |
1E | 6***4 | COUPLING | |
2 | 0***5 | KEY, WOODRUFF | |
3 | 0***8 | Bolt | |
4 | 6***2 | AIR HOSE ASSY | |
5 | 6***B | SCREW;HOLLOW | |
6 | 0***4 | RING;SEAL | |
7 | 6***3 | PIPE, OIL | |
9 | 0***0 | BOLT ASSY |
Содержащиеся в справочниках-каталогах запасные части и детали не предлагаются к продаже, а носят исключительно информационный характер. В демо-версии артикулы (номера деталей) скрыты. Если вы хотите видеть полные оригинальные номера запчастей, вам необходимо зарегистрироваться на нашем сайте и приобрести подписку по интересующей вас конфигурации, после этого вы сможете встроить онлайн-каталоги на ваш сайт или пользоваться ими из личного кабинета нашего сайта. Обращаем ваше внимание на то, что каталоги содержат информацию об оригинальных заводских номерах и названиях запчастей. База по аналогам в данный момент не реализована. Поиска по VIN-номерам в онлайн-каталоге не предусмотрено. Выбор конкретного каталога осуществляется путем открытия нужного типа техники, марки, модели с учетом года выпуска или модификации.