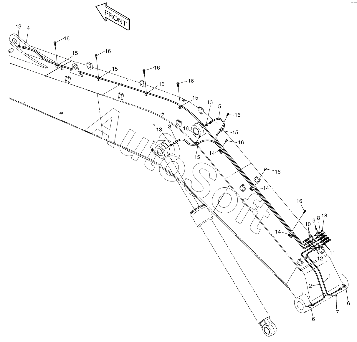
Каталог запасных частей к технике: Doosan S500LC-V (2009). LUBRICATION PIPING-9.0m BOOM

9
18
16
16
16
16
16
16
16
16
16
15
15
15
15
15
15
14
14
14
13
13
13
12
11
10
8
7
6
6
5
4
3
2
1
Позиция на иллюстрации | Заводской номер детали | Название детали | |
---|---|---|---|
400-01019 | 4***9 | LUBRICATION PIPING | |
1 | 1***1 | PIPE | |
2 | 1***2 | PIPE | |
3 | 2***7 | HOSE PF1/4-3300L | |
4 | D***7 | HOSE | |
5 | D***6 | HOSE PF1/4-3250L | |
6 | 2***5 | ELBOW | |
7 | S***3 | PLUG;DRAIN M10X1.5X15 | |
8 | S***1 | NIPPLE;GREASE | |
9 | 1***3 | REDUCER PT1/8-PF1/4 | |
10 | 1***6 | NUT PF1/4 | |
11 | 1***5 | REDUCER PT1/8-PF1/4 | |
12 | S***3 | NUT M14X1.5 | |
13 | 2***2 | ELBOW PF1/4-PT1/8 | |
14 | 1***4 | Clip | |
15 | 2***2 | CLIP | |
16 | 1***6 | BOLT M8X1.25X12 | |
18 | 1***0 | CAP;GREASE NIPPLE |
Содержащиеся в справочниках-каталогах запасные части и детали не предлагаются к продаже, а носят исключительно информационный характер. В демо-версии артикулы (номера деталей) скрыты. Если вы хотите видеть полные оригинальные номера запчастей, вам необходимо зарегистрироваться на нашем сайте и приобрести подписку по интересующей вас конфигурации, после этого вы сможете встроить онлайн-каталоги на ваш сайт или пользоваться ими из личного кабинета нашего сайта. Обращаем ваше внимание на то, что каталоги содержат информацию об оригинальных заводских номерах и названиях запчастей. База по аналогам в данный момент не реализована. Поиска по VIN-номерам в онлайн-каталоге не предусмотрено. Выбор конкретного каталога осуществляется путем открытия нужного типа техники, марки, модели с учетом года выпуска или модификации.