Каталог запасных частей к технике: Doosan S500LC-V (2009). OIL COOLER PIPING

44
44
44
33
36
37
38
38
38
38
39
40
41
41
41
41
42
42
42
42
43
43
43
43
26
26
26
26
45
46
47
47
48
50
51
52
52
52
52
53
53
53
11
2
3
4
5
5
8
8
9
9
9
10
17
17
18
20
22
23
23
23
23
23
24
24
24
24
25
25
25
25
25
25
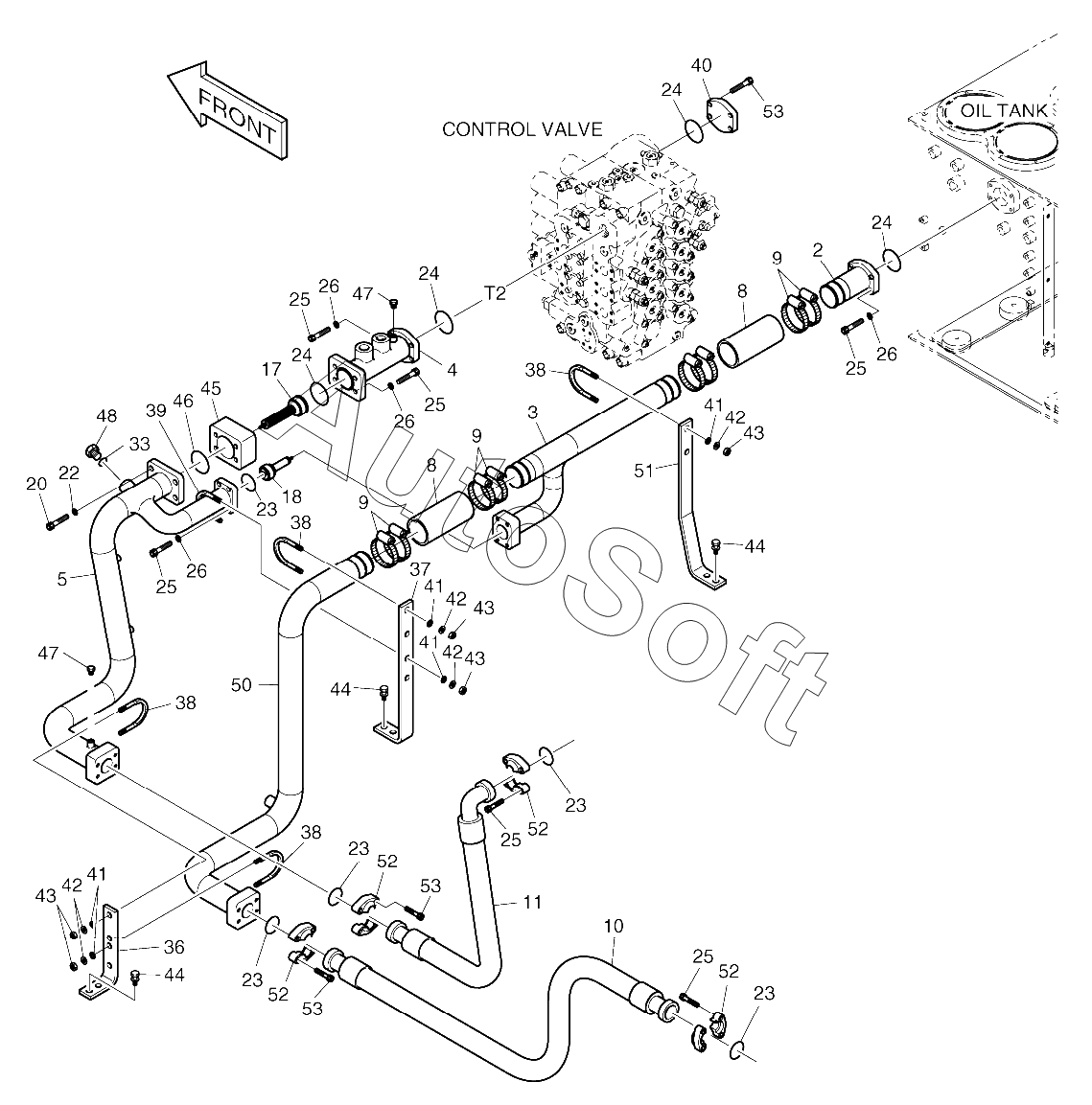
Позиция на иллюстрации | Заводской номер детали | Название детали | |
---|---|---|---|
400-00706A | 4***A | OIL COOLER PIPING | |
2 | 1***7 | PIPE | |
3 | 1***8 | PIPE | |
4 | 1***A | PIPE | |
5 | 1***A | PIPE | |
5 | 1***B | PIPE | |
8 | 2***1 | HOSE, RUBBER | |
9 | S***5 | CLAMP;HOSE | |
10 | D***2 | HOSE | |
11 | D***2 | HOSE | |
17 | 4***B | Valve, bypass | |
17 | 4***1 | Valve, by-pass | |
18 | 4***4 | Valve, by-pass | |
20 | S***6 | BOLT;SOCKET M16X2.0X45 | |
22 | S***3 | WASHER;SPRING | |
23 | 2***7 | O-RING | |
24 | 2***1 | O-RING | |
25 | S***6 | BOLT;SOCKET | |
26 | S***3 | Washer | |
33 | S***1 | O-RING | |
36 | 1***A | BRACKET | |
37 | 1***A | BRACKET | |
38 | 1***A | U-BOLT | |
39 | 1***A | Bolt, u | |
40 | 2***0 | FLANGE, COVER | |
41 | 2***6 | WASHER | |
42 | S***3 | WASHER;SPRING M10 | |
43 | S***3 | NUT M12 | |
44 | 2***0 | Bolt, set | |
45 | 4***A | Block | |
46 | 2***2 | O-RING | |
47 | 2***A | PLUG | |
48 | 2***9 | PLUG PFO1 | |
50 | 1***A | PIPE | |
51 | 1***9 | BRACKET | |
52 | 4***6 | Flange, split | |
53 | S***6 | BOLT |
Содержащиеся в справочниках-каталогах запасные части и детали не предлагаются к продаже, а носят исключительно информационный характер. В демо-версии артикулы (номера деталей) скрыты. Если вы хотите видеть полные оригинальные номера запчастей, вам необходимо зарегистрироваться на нашем сайте и приобрести подписку по интересующей вас конфигурации, после этого вы сможете встроить онлайн-каталоги на ваш сайт или пользоваться ими из личного кабинета нашего сайта. Обращаем ваше внимание на то, что каталоги содержат информацию об оригинальных заводских номерах и названиях запчастей. База по аналогам в данный момент не реализована. Поиска по VIN-номерам в онлайн-каталоге не предусмотрено. Выбор конкретного каталога осуществляется путем открытия нужного типа техники, марки, модели с учетом года выпуска или модификации.