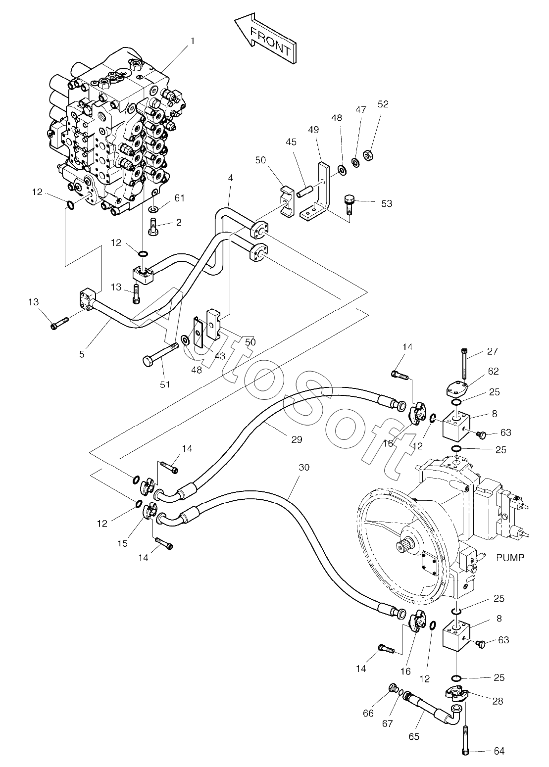
Каталог запасных частей к технике: Doosan S500LC-V (2009). MAIN PIPING

43
67
66
65
64
63
63
62
61
53
52
51
50
50
49
48
48
47
45
30
29
28
27
25
25
25
25
16
16
15
14
14
14
14
13
13
12
12
12
12
12
8
8
5
4
2
1
Позиция на иллюстрации | Заводской номер детали | Название детали | |
---|---|---|---|
400-00705 | 4***5 | MAIN PIPING | |
1 | 4***A | VALVE, CONTROL | |
2 | S***6 | Bolt | |
4 | 1***8 | PIPE | |
5 | 1***A | PIPE | |
8 | 4***A | BLOCK | |
12 | 2***9 | O-RING | |
13 | S***6 | Bolt | |
14 | S***6 | BOLT;SOCKET | |
15 | 2***1 | FLANGE;SPLIT | |
16 | 2***A | FLANGE | |
25 | 2***3 | O-ring | |
27 | S***6 | BOLT, SOCKET M12X1.75X100 | |
28 | 2***6 | Flange | |
29 | D***1 | HOSE | |
30 | D***1 | HOSE | |
43 | 2***C | Plate | |
45 | 1***6 | SPACER | |
47 | S***3 | WASHER;SPRING | |
48 | S***3 | WASHER M16 | |
49 | 1***9 | BRACKET | |
50 | 1***A | CLAMP | |
51 | S***3 | BOLT M 16X2.0X110 | |
52 | S***3 | NUT | |
53 | 2***1 | BOLT;SET | |
61 | 2***2 | Washer, harden | |
62 | 2***8 | FLANGE, COVER | |
63 | 2***A | PLUG | |
64 | S***6 | Bolt, socket | |
65 | D***7 | HOSE | |
66 | 2***6 | PLUG | |
67 | S***1 | O-RING |
Содержащиеся в справочниках-каталогах запасные части и детали не предлагаются к продаже, а носят исключительно информационный характер. В демо-версии артикулы (номера деталей) скрыты. Если вы хотите видеть полные оригинальные номера запчастей, вам необходимо зарегистрироваться на нашем сайте и приобрести подписку по интересующей вас конфигурации, после этого вы сможете встроить онлайн-каталоги на ваш сайт или пользоваться ими из личного кабинета нашего сайта. Обращаем ваше внимание на то, что каталоги содержат информацию об оригинальных заводских номерах и названиях запчастей. База по аналогам в данный момент не реализована. Поиска по VIN-номерам в онлайн-каталоге не предусмотрено. Выбор конкретного каталога осуществляется путем открытия нужного типа техники, марки, модели с учетом года выпуска или модификации.