Каталог запасных частей к технике: Doosan DX140LC (2010). OIL PUMP

1
1
2
3
4
5
6
7
8
9
10
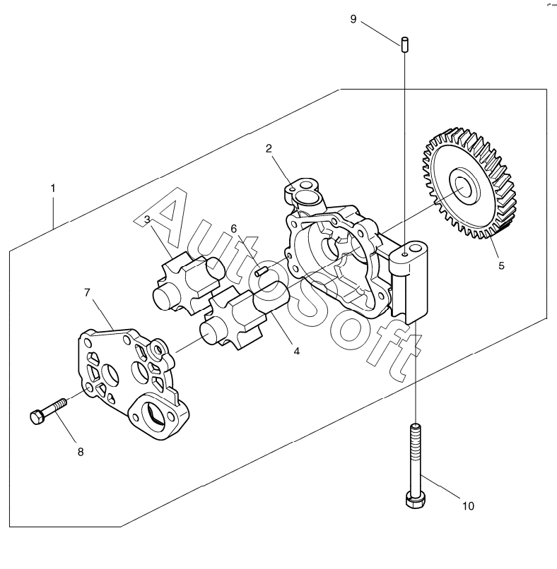
Позиция на иллюстрации | Заводской номер детали | Название детали | |
---|---|---|---|
1 | 6***3 | OIL PUMP ASSY | |
1 | 6***А | OIL PUMP ASSY | |
2 | 6***0 | HOUSING, OIL PUMP | |
3 | 6***2 | GEAR, OIL PUMP | |
4 | 6***3 | GEAR, OIL PUMP | |
5 | 6***6 | GEAR, DRIVE, OIL PUMP | |
6 | 0***7 | Pin | |
7 | 6***4 | COVER, OIL PUMP | |
8 | 0***4 | Bolt | |
9 | 0***9 | PIN DOWEL 6M6X14 | |
10 | 6***5 | BOLT, COLLARED HEX. |
Содержащиеся в справочниках-каталогах запасные части и детали не предлагаются к продаже, а носят исключительно информационный характер. В демо-версии артикулы (номера деталей) скрыты. Если вы хотите видеть полные оригинальные номера запчастей, вам необходимо зарегистрироваться на нашем сайте и приобрести подписку по интересующей вас конфигурации, после этого вы сможете встроить онлайн-каталоги на ваш сайт или пользоваться ими из личного кабинета нашего сайта. Обращаем ваше внимание на то, что каталоги содержат информацию об оригинальных заводских номерах и названиях запчастей. База по аналогам в данный момент не реализована. Поиска по VIN-номерам в онлайн-каталоге не предусмотрено. Выбор конкретного каталога осуществляется путем открытия нужного типа техники, марки, модели с учетом года выпуска или модификации.