Каталог запасных частей к технике: Doosan DX140LC (2010). MAIN PIPING - QUICK FIT

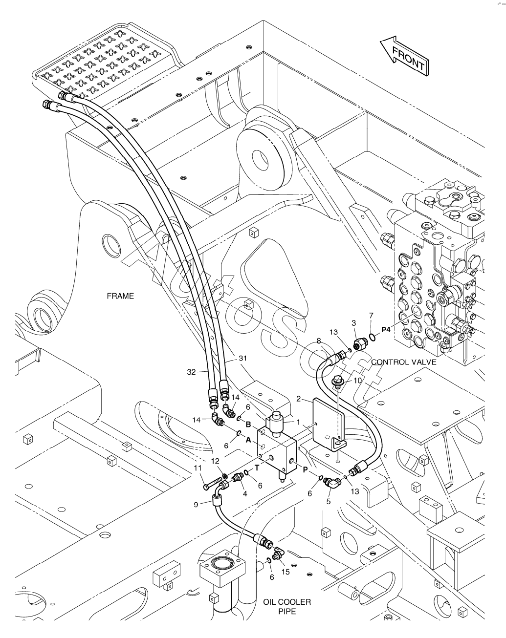
10
32
32
31
31
15
14
14
13
13
12
11
9
8
7
6
6
6
6
6
5
4
3
2
1
Позиция на иллюстрации | Заводской номер детали | Название детали | |
---|---|---|---|
K1016147A | K***A | MAIN PIPING, QUICK FIT | |
1 | 4***7 | VALVE, QUICK-FIT | |
2 | K***1 | BRACKET | |
3 | D***7 | ADAPTER | |
4 | 2***4 | ADAPTER;S PFO-PF1/4 | |
5 | D***9 | ELBOW | |
6 | S***1 | O-RING | |
7 | S***1 | O-RING | |
8 | D***2 | HOSE | |
9 | D***0 | HOSE | |
10 | D***9 | BOLT | |
11 | S***6 | Bolt | |
12 | S***3 | WASHER;SPRING | |
13 | S***1 | O-RING | |
14 | 2***1 | Elbow | |
15 | 2***4 | ELBOW | |
31 | 2***3 | HOSE PF1/4-1300L | |
31 | D***2 | HOSE | |
32 | 2***3 | HOSE PF1/4-1300L | |
32 | D***2 | HOSE |
Содержащиеся в справочниках-каталогах запасные части и детали не предлагаются к продаже, а носят исключительно информационный характер. В демо-версии артикулы (номера деталей) скрыты. Если вы хотите видеть полные оригинальные номера запчастей, вам необходимо зарегистрироваться на нашем сайте и приобрести подписку по интересующей вас конфигурации, после этого вы сможете встроить онлайн-каталоги на ваш сайт или пользоваться ими из личного кабинета нашего сайта. Обращаем ваше внимание на то, что каталоги содержат информацию об оригинальных заводских номерах и названиях запчастей. База по аналогам в данный момент не реализована. Поиска по VIN-номерам в онлайн-каталоге не предусмотрено. Выбор конкретного каталога осуществляется путем открытия нужного типа техники, марки, модели с учетом года выпуска или модификации.