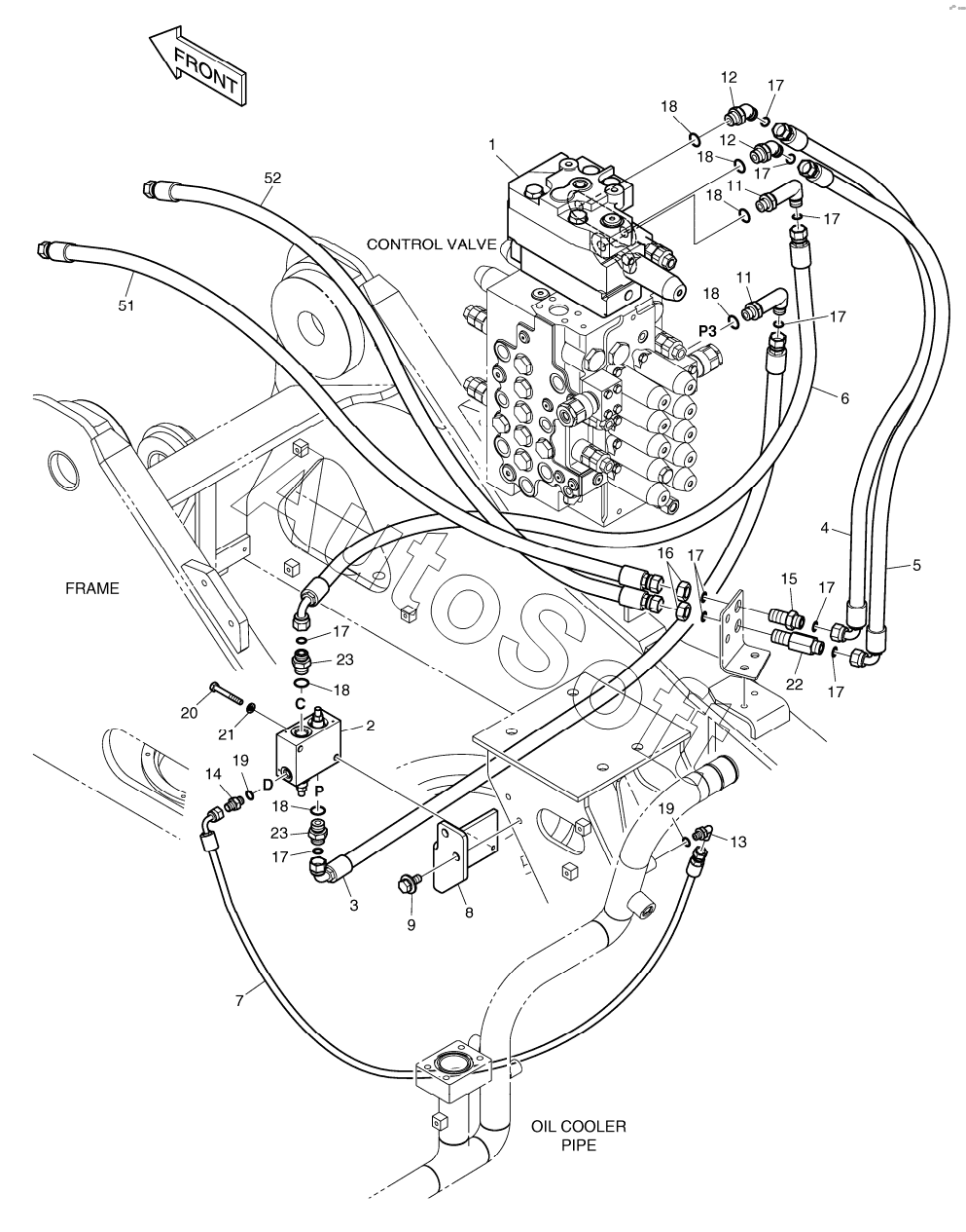
Каталог запасных частей к технике: Doosan DX140LC (2010). MAIN PIPING - ROTATING

12
12
52
51
23
23
22
21
20
19
19
18
18
18
18
18
18
17
17
17
17
17
17
17
17
17
16
15
14
13
11
11
9
8
7
6
5
4
3
2
1
1
Позиция на иллюстрации | Заводской номер детали | Название детали | |
---|---|---|---|
420212-01247 | 4***7 | PIPING,MAIN, PERO & NOT DOZ | |
K1016146B | K***B | MAIN PIPING, PERO | |
1 | K***A | CONTROL VALVE(ROTATING) | |
1 | K***7 | VALVE, CONTROL, ROTATING | |
2 | 4***8 | VALVE, PACKAGE | |
3 | D***4 | HOSE | |
4 | D***0 | HOSE | |
5 | D***2 | HOSE | |
6 | D***5 | Hose | |
7 | D***2 | HOSE | |
8 | K***A | BRACKET | |
9 | D***8 | BOLT | |
11 | 2***1 | ELBOW | |
12 | 2***4 | Elbow | |
13 | 2***4 | ELBOW | |
14 | 2***4 | ADAPTER;S PFO-PF1/4 | |
15 | 1***3 | ADAPTER, CONNECTOR | |
16 | 1***5 | Nut | |
17 | S***1 | O-RING | |
18 | S***1 | O-RING | |
19 | S***1 | O-RING | |
20 | S***6 | BOLT M8X1.25X60 | |
21 | S***3 | WASHER;SPRING | |
22 | D***4 | ADAPTER | |
23 | 2***3 | ADAPTER | |
51 | D***3 | HOSE | |
52 | D***2 | HOSE |
Содержащиеся в справочниках-каталогах запасные части и детали не предлагаются к продаже, а носят исключительно информационный характер. В демо-версии артикулы (номера деталей) скрыты. Если вы хотите видеть полные оригинальные номера запчастей, вам необходимо зарегистрироваться на нашем сайте и приобрести подписку по интересующей вас конфигурации, после этого вы сможете встроить онлайн-каталоги на ваш сайт или пользоваться ими из личного кабинета нашего сайта. Обращаем ваше внимание на то, что каталоги содержат информацию об оригинальных заводских номерах и названиях запчастей. База по аналогам в данный момент не реализована. Поиска по VIN-номерам в онлайн-каталоге не предусмотрено. Выбор конкретного каталога осуществляется путем открытия нужного типа техники, марки, модели с учетом года выпуска или модификации.