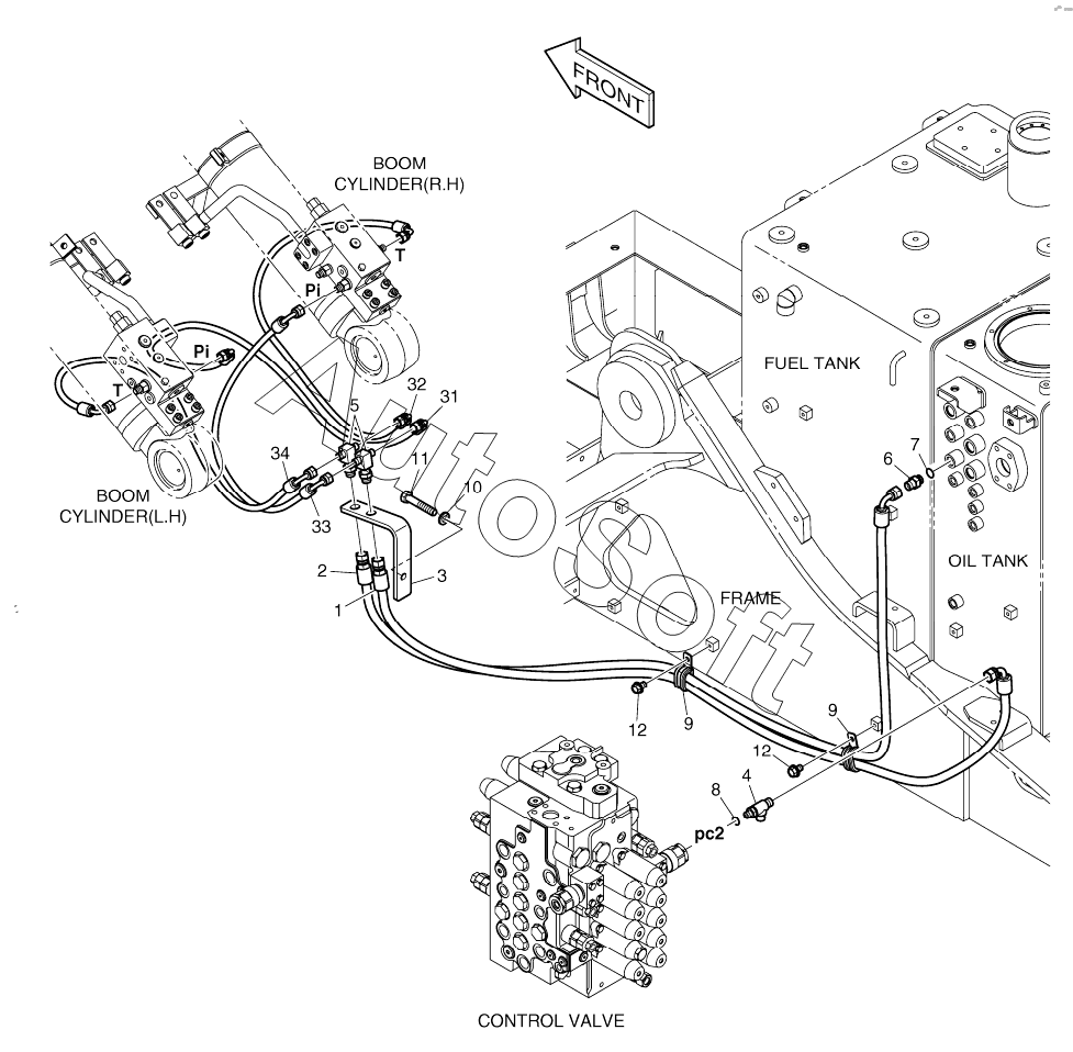
Каталог запасных частей к технике: Doosan DX140LC (2010). LOCK VALVE PIPING - BOOM

8
34
33
32
31
12
12
11
10
9
9
7
6
5
4
3
2
1
Позиция на иллюстрации | Заводской номер детали | Название детали | |
---|---|---|---|
K1017471A | K***A | LOCK VALVE PIPING, BOOM | |
1 | D***2 | HOSE | |
2 | D***6 | HOSE | |
3 | K***4 | BRACKET | |
4 | 2***7 | Tee | |
5 | 1***8 | TEE | |
6 | 2***7 | ADAPTER PFO3/8-PF3/8 | |
7 | S***1 | O-RING | |
8 | S***1 | O-RING | |
9 | 1***1 | CLIP 2-D20/M8 | |
10 | S***3 | WASHER;SPRING M10 | |
11 | S***6 | BOLT | |
12 | 1***6 | BOLT M8X1.25X12 | |
31 | D***2 | HOSE | |
32 | D***3 | HOSE | |
33 | D***2 | HOSE | |
34 | D***3 | HOSE |
Содержащиеся в справочниках-каталогах запасные части и детали не предлагаются к продаже, а носят исключительно информационный характер. В демо-версии артикулы (номера деталей) скрыты. Если вы хотите видеть полные оригинальные номера запчастей, вам необходимо зарегистрироваться на нашем сайте и приобрести подписку по интересующей вас конфигурации, после этого вы сможете встроить онлайн-каталоги на ваш сайт или пользоваться ими из личного кабинета нашего сайта. Обращаем ваше внимание на то, что каталоги содержат информацию об оригинальных заводских номерах и названиях запчастей. База по аналогам в данный момент не реализована. Поиска по VIN-номерам в онлайн-каталоге не предусмотрено. Выбор конкретного каталога осуществляется путем открытия нужного типа техники, марки, модели с учетом года выпуска или модификации.