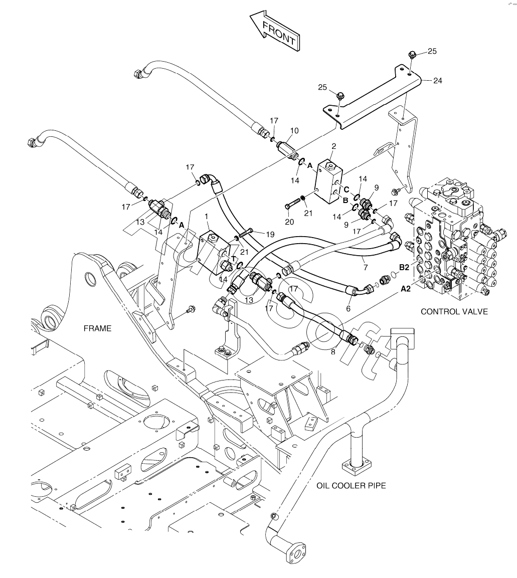
Каталог запасных частей к технике: Doosan DX140LC (2010). MAIN PIPING - TWO WAY (ARTI)

1
2
6
7
8
9
9
10
13
13
14
14
14
14
14
17
17
17
17
17
17
17
19
20
21
21
24
25
25
Позиция на иллюстрации | Заводской номер детали | Название детали | |
---|---|---|---|
K1027396A | K***A | MAIN PIPING, PE3C(ARTI) | |
1 | 4***A | VALVE, SELECT | |
2 | 4***A | VALVE, SELECT | |
6 | D***5 | HOSE 1 3/16"-670L | |
7 | D***4 | HOSE | |
8 | D***6 | HOSE | |
9 | 2***5 | ADAPTER | |
10 | D***1 | ADAPTER | |
13 | 2***2 | Tee | |
14 | S***1 | O-RING | |
17 | S***1 | O-RING | |
19 | S***6 | BOLT | |
20 | S***6 | BOLT | |
21 | S***3 | WASHER;SPRING M10 | |
24 | K***1 | BRACKET | |
25 | D***9 | BOLT |
Содержащиеся в справочниках-каталогах запасные части и детали не предлагаются к продаже, а носят исключительно информационный характер. В демо-версии артикулы (номера деталей) скрыты. Если вы хотите видеть полные оригинальные номера запчастей, вам необходимо зарегистрироваться на нашем сайте и приобрести подписку по интересующей вас конфигурации, после этого вы сможете встроить онлайн-каталоги на ваш сайт или пользоваться ими из личного кабинета нашего сайта. Обращаем ваше внимание на то, что каталоги содержат информацию об оригинальных заводских номерах и названиях запчастей. База по аналогам в данный момент не реализована. Поиска по VIN-номерам в онлайн-каталоге не предусмотрено. Выбор конкретного каталога осуществляется путем открытия нужного типа техники, марки, модели с учетом года выпуска или модификации.