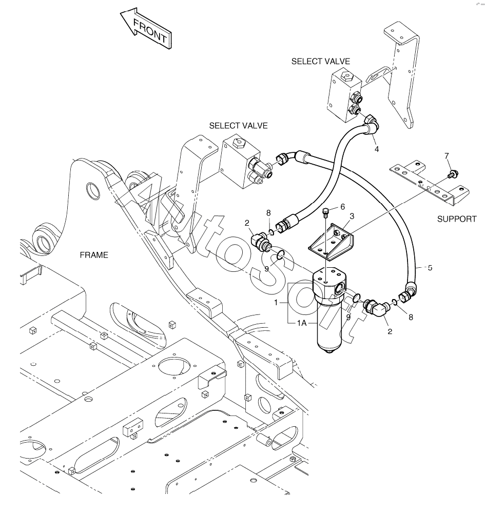
Каталог запасных частей к технике: Doosan DX140LC (2010). ONE & TWO WAY PIPING - WITH FILTER

1
1А
2
2
3
4
5
6
7
8
8
9
9
Позиция на иллюстрации | Заводской номер детали | Название детали | |
---|---|---|---|
К1016094 | К***4 | BREAKER FILTER, ONE WAY | |
1 | 4***4 | FILTER, BREAKER | |
1А | 4***6 | ELEMENT, BREAKER FILTER | |
2 | 2***6 | ELBOW | |
3 | К***9 | BRACKET | |
4 | D***7 | Hose | |
5 | D***8 | HOSE | |
6 | D***1 | BOLT, SET | |
7 | D***8 | BOLT | |
8 | S***1 | O-RING | |
9 | S***1 | O-RING |
Содержащиеся в справочниках-каталогах запасные части и детали не предлагаются к продаже, а носят исключительно информационный характер. В демо-версии артикулы (номера деталей) скрыты. Если вы хотите видеть полные оригинальные номера запчастей, вам необходимо зарегистрироваться на нашем сайте и приобрести подписку по интересующей вас конфигурации, после этого вы сможете встроить онлайн-каталоги на ваш сайт или пользоваться ими из личного кабинета нашего сайта. Обращаем ваше внимание на то, что каталоги содержат информацию об оригинальных заводских номерах и названиях запчастей. База по аналогам в данный момент не реализована. Поиска по VIN-номерам в онлайн-каталоге не предусмотрено. Выбор конкретного каталога осуществляется путем открытия нужного типа техники, марки, модели с учетом года выпуска или модификации.