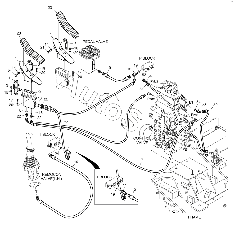
Каталог запасных частей к технике: Doosan DX140LC (2010). PILOT PIPING - ROTATING (ARTI)

14
14
54
54
53
53
52
51
24
23
23
22
22
22
21
21
20
20
20
20
19
19
18
18
17
17
16
16
16
15
13
12
11
11
10
10
9
8
7
6
5
4
4
3
3
2
1
Позиция на иллюстрации | Заводской номер детали | Название детали | |
---|---|---|---|
2181-1951D19 | 2***9 | TEE PFO1/2XPF1/2XPF1/4 | |
K1017382A | K***A | PEDAL VALVE | |
K1024566A | K***A | PILOT PIPING, PERO & ARTI | |
S8000141 | S***1 | O-RING | |
1 | K***A | PLATE | |
2 | K***2 | VALVE, PEDAL | |
3 | K***B | PLATE | |
4 | K***4 | BRACKET | |
5 | D***0 | HOSE | |
6 | D***2 | HOSE ASSY, HYDRAULIC | |
7 | D***5 | HOSE | |
8 | D***5 | HOSE | |
9 | D***6 | HOSE | |
10 | D***4 | HOSE | |
11 | 2***6 | TEE | |
12 | 2***7 | TEE PFO3/8-2PF1/4 | |
13 | S***6 | BOLT | |
14 | S***3 | WASHER;SPRING M10 | |
15 | S***3 | WASHER;SPRING | |
16 | S***1 | O-RING | |
17 | S***6 | BOLT;SOCKET M10X1.5X25 | |
18 | S***6 | BOLT;SOCKET | |
19 | S***1 | O-RING | |
20 | S***3 | WASHER;SPRING | |
21 | S***6 | BOLT | |
22 | 2***4 | ADAPTER;S PFO-PF1/4 | |
23 | 1***6 | RUBBER;PEDAL | |
24 | S***1 | O-RING | |
51 | D***1 | HOSE | |
52 | D***7 | HOSE | |
53 | 2***4 | ELBOW | |
54 | S***1 | O-RING |
Содержащиеся в справочниках-каталогах запасные части и детали не предлагаются к продаже, а носят исключительно информационный характер. В демо-версии артикулы (номера деталей) скрыты. Если вы хотите видеть полные оригинальные номера запчастей, вам необходимо зарегистрироваться на нашем сайте и приобрести подписку по интересующей вас конфигурации, после этого вы сможете встроить онлайн-каталоги на ваш сайт или пользоваться ими из личного кабинета нашего сайта. Обращаем ваше внимание на то, что каталоги содержат информацию об оригинальных заводских номерах и названиях запчастей. База по аналогам в данный момент не реализована. Поиска по VIN-номерам в онлайн-каталоге не предусмотрено. Выбор конкретного каталога осуществляется путем открытия нужного типа техники, марки, модели с учетом года выпуска или модификации.