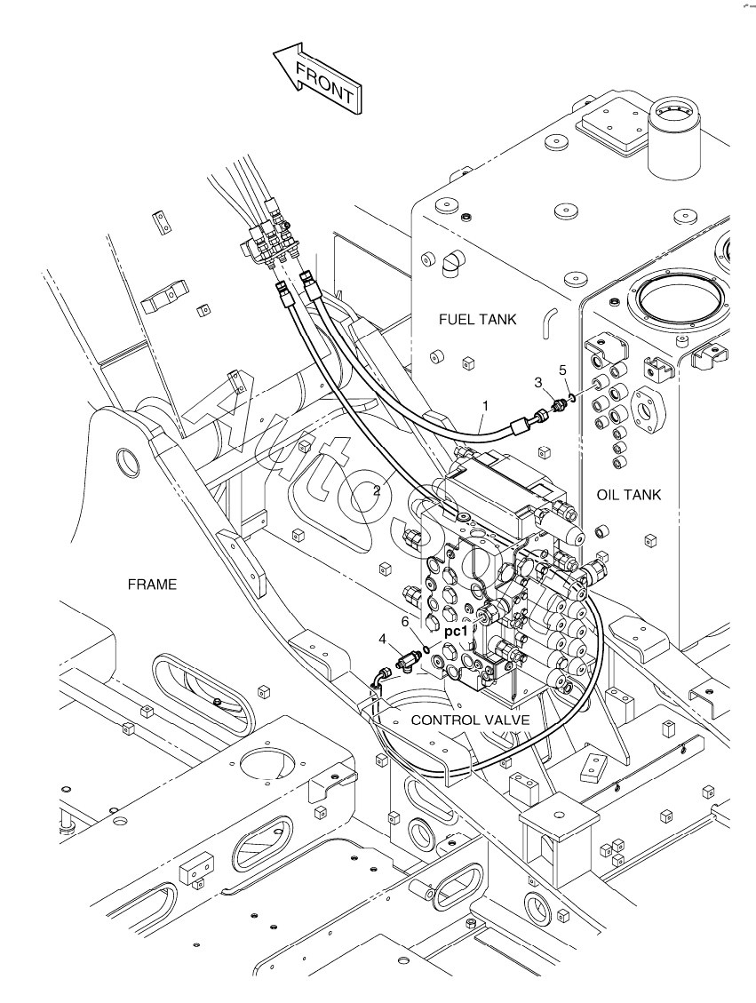
Каталог запасных частей к технике: Doosan DX140LC (2010). PILOT PIPING - LOCK VALVE ARM (ARTI)

1
2
3
4
5
6
Позиция на иллюстрации | Заводской номер детали | Название детали | |
---|---|---|---|
К1024562 | К***2 | PILOT PIPING, LOCK VALVE ARM | |
1 | D***6 | HOSE | |
2 | D***9 | HOSE | |
3 | 2***7 | ADAPTER PFO3/8-PF3/8 | |
4 | 2***4 | TEE | |
5 | S***1 | O-RING | |
6 | S***1 | O-RING |
Содержащиеся в справочниках-каталогах запасные части и детали не предлагаются к продаже, а носят исключительно информационный характер. В демо-версии артикулы (номера деталей) скрыты. Если вы хотите видеть полные оригинальные номера запчастей, вам необходимо зарегистрироваться на нашем сайте и приобрести подписку по интересующей вас конфигурации, после этого вы сможете встроить онлайн-каталоги на ваш сайт или пользоваться ими из личного кабинета нашего сайта. Обращаем ваше внимание на то, что каталоги содержат информацию об оригинальных заводских номерах и названиях запчастей. База по аналогам в данный момент не реализована. Поиска по VIN-номерам в онлайн-каталоге не предусмотрено. Выбор конкретного каталога осуществляется путем открытия нужного типа техники, марки, модели с учетом года выпуска или модификации.