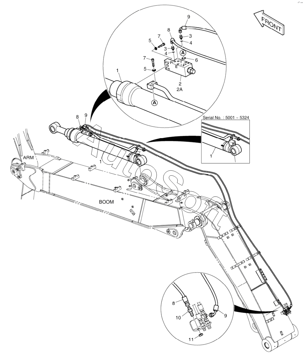
Каталог запасных частей к технике: Doosan DX140LC (2010). ARTI ARM PIPING - LOCK VALVE

1
1
1
1
1
1
1
1
1
1
1
1
2
2A
3
3
4
4
5
5
6
7
7
8
8
8
9
9
9
10
11
Позиция на иллюстрации | Заводской номер детали | Название детали | |
---|---|---|---|
K1015195A | K***A | ARM LOCK VALVE PIPING | |
1 | K***2 | ARM CYLINDER-2.1m (ARTI) | |
1 | K***A | ARM CYLINDER-2.1m (ARTI) | |
1 | K***3 | ARM CYLINDER-2.5m ARM | |
1 | K***A | ARM CYLINDER-2.5m ARM | |
10 | D***7 | ADAPTER | |
11 | 1***7 | NUT | |
2 | 4***A | VALVE;LOCK | |
2A | K***8 | SEAL KIT | |
3 | 2***4 | ADAPTER;S PFO-PF1/4 | |
4 | S***1 | O-RING | |
5 | S***1 | WASHER;SPRING | |
6 | S***1 | O-RING | |
7 | S***6 | BOLT M10X1.5X50 | |
8 | D***0 | HOSE | |
9 | D***6 | HOSE |
Содержащиеся в справочниках-каталогах запасные части и детали не предлагаются к продаже, а носят исключительно информационный характер. В демо-версии артикулы (номера деталей) скрыты. Если вы хотите видеть полные оригинальные номера запчастей, вам необходимо зарегистрироваться на нашем сайте и приобрести подписку по интересующей вас конфигурации, после этого вы сможете встроить онлайн-каталоги на ваш сайт или пользоваться ими из личного кабинета нашего сайта. Обращаем ваше внимание на то, что каталоги содержат информацию об оригинальных заводских номерах и названиях запчастей. База по аналогам в данный момент не реализована. Поиска по VIN-номерам в онлайн-каталоге не предусмотрено. Выбор конкретного каталога осуществляется путем открытия нужного типа техники, марки, модели с учетом года выпуска или модификации.