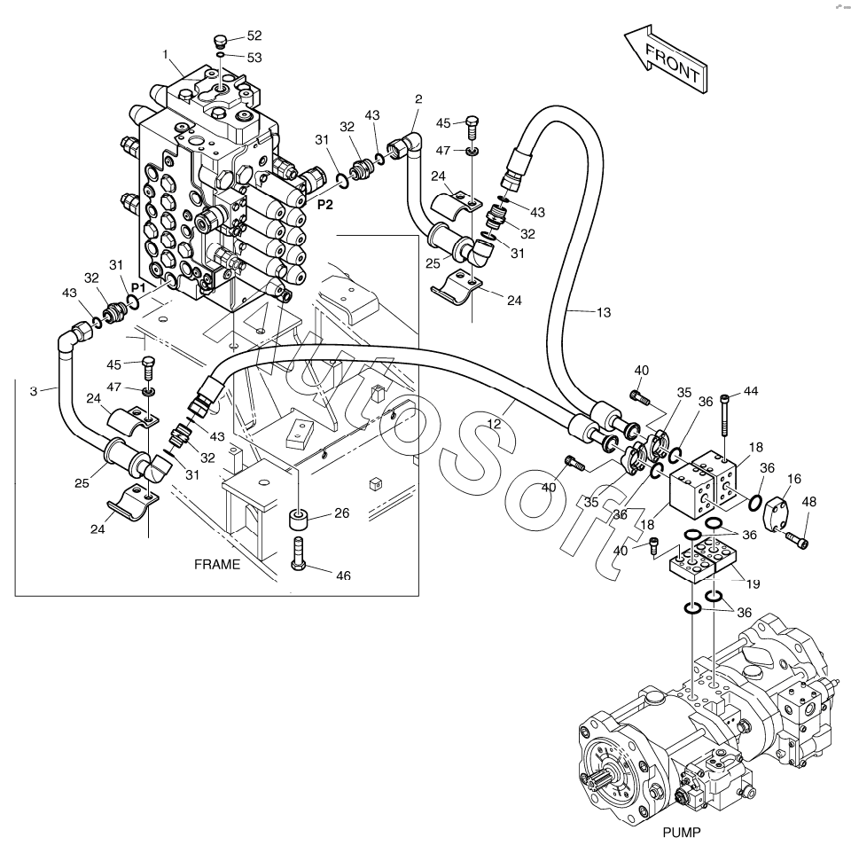
Каталог запасных частей к технике: Doosan DX140LC (2010). MAIN PIPING (1) - PUMP

26
53
52
48
47
47
46
45
45
44
43
43
43
43
40
40
40
36
36
36
36
36
35
35
32
32
32
32
31
31
31
31
25
25
24
24
24
24
19
18
18
16
13
12
3
3
2
1
Позиция на иллюстрации | Заводской номер детали | Название детали | |
---|---|---|---|
420212-00360 | 4***0 | PIPING,MAIN | |
K1016140G | K***G | MAIN PIPING | |
1 | 4***B | VALVE, CONTROL | |
2 | K***A | PIPE | |
3 | K***5 | PIPE | |
3 | K***A | PIPE | |
12 | D***2 | HOSE | |
13 | D***3 | HOSE | |
16 | 2***1 | Flange,cover | |
18 | K***5 | BLOCK | |
19 | K***7 | BLOCK, SPACER | |
24 | 1***2 | CLAMP, PIPE | |
25 | 1***4 | RUBBER | |
26 | 1***5 | Spacer | |
31 | S***1 | O-RING | |
32 | 2***1 | ADAPTER | |
35 | 2***9 | FLANGE | |
36 | 2***2 | O-RING | |
40 | S***6 | BOLT;SOCKET M10X1.5X25 | |
43 | S***1 | O-RING | |
44 | S***6 | Bolt | |
45 | S***6 | BOLT | |
46 | S***6 | BOLT M16X2.0X60 | |
47 | S***3 | Washer | |
48 | S***6 | BOLT M10X1.5X35 | |
52 | 2***2 | PLUG PFO1/2 | |
53 | S***1 | O-RING |
Содержащиеся в справочниках-каталогах запасные части и детали не предлагаются к продаже, а носят исключительно информационный характер. В демо-версии артикулы (номера деталей) скрыты. Если вы хотите видеть полные оригинальные номера запчастей, вам необходимо зарегистрироваться на нашем сайте и приобрести подписку по интересующей вас конфигурации, после этого вы сможете встроить онлайн-каталоги на ваш сайт или пользоваться ими из личного кабинета нашего сайта. Обращаем ваше внимание на то, что каталоги содержат информацию об оригинальных заводских номерах и названиях запчастей. База по аналогам в данный момент не реализована. Поиска по VIN-номерам в онлайн-каталоге не предусмотрено. Выбор конкретного каталога осуществляется путем открытия нужного типа техники, марки, модели с учетом года выпуска или модификации.