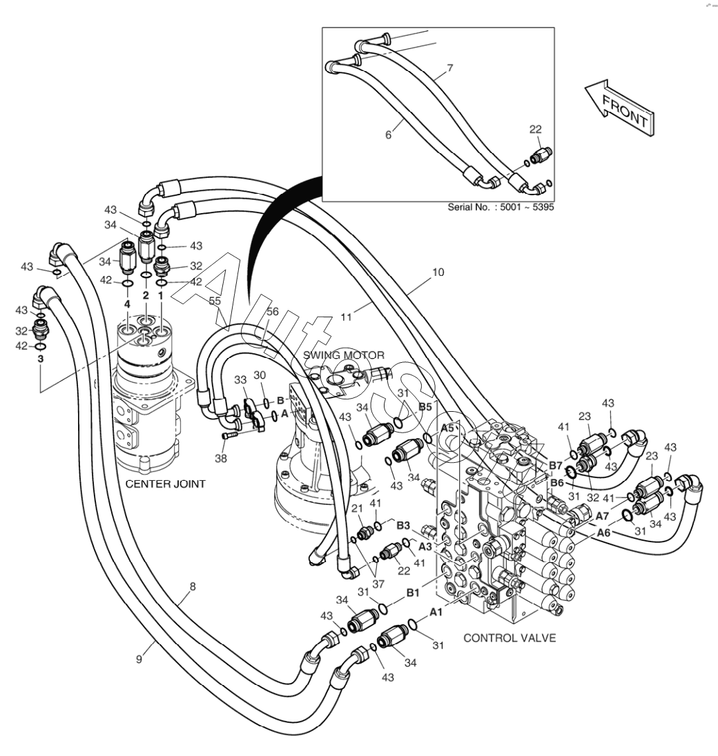
Каталог запасных частей к технике: Doosan DX140LC (2010). MAIN PIPING (3) - SWING & TRAVEL

30
56
55
43
43
43
43
43
43
43
43
43
43
43
43
42
42
42
41
41
41
41
38
37
34
34
34
34
34
34
34
33
32
32
32
31
31
31
31
31
23
23
22
22
21
11
10
9
8
7
6
Позиция на иллюстрации | Заводской номер детали | Название детали | |
---|---|---|---|
2181-4133D37 | 2***7 | ADAPTER | |
420212-00360 | 4***0 | PIPING,MAIN | |
K1016140E | K***E | MAIN PIPING | |
6 | D***1 | HOSE | |
7 | D***2 | HOSE | |
8 | D***3 | HOSE | |
9 | D***3 | HOSE | |
10 | D***4 | HOSE | |
11 | D***5 | HOSE | |
21 | 2***3 | ADAPTER | |
22 | 2***7 | ADAPTER | |
23 | D***3 | ADAPTER | |
30 | 2***0 | O-RING | |
31 | S***1 | O-RING | |
32 | 2***1 | ADAPTER | |
33 | 2***9 | FLANGE | |
34 | 2***3 | ADAPTER | |
37 | S***1 | O-RING | |
38 | S***6 | Bolt | |
41 | S***1 | O-RING | |
42 | S***1 | O-RING | |
43 | S***1 | O-RING | |
55 | D***6 | HOSE | |
56 | D***7 | HOSE |
Содержащиеся в справочниках-каталогах запасные части и детали не предлагаются к продаже, а носят исключительно информационный характер. В демо-версии артикулы (номера деталей) скрыты. Если вы хотите видеть полные оригинальные номера запчастей, вам необходимо зарегистрироваться на нашем сайте и приобрести подписку по интересующей вас конфигурации, после этого вы сможете встроить онлайн-каталоги на ваш сайт или пользоваться ими из личного кабинета нашего сайта. Обращаем ваше внимание на то, что каталоги содержат информацию об оригинальных заводских номерах и названиях запчастей. База по аналогам в данный момент не реализована. Поиска по VIN-номерам в онлайн-каталоге не предусмотрено. Выбор конкретного каталога осуществляется путем открытия нужного типа техники, марки, модели с учетом года выпуска или модификации.