Каталог запасных частей к технике: Doosan DX140LC (2010). DUCT COVER

27
19
20
21
21
22
22
22
22
22
22
22
22
22
23
23
23
23
23
23
23
23
23
23
23
23
23
23
23
23
23
24
24
25
26
18
28
28
28
28
30
31
32
33
34
35
35
36
36
37
37
37
37
38
10
1
2
3
4
5
6
7
8
9
11
12
13
14
14
15
15
16
17
18
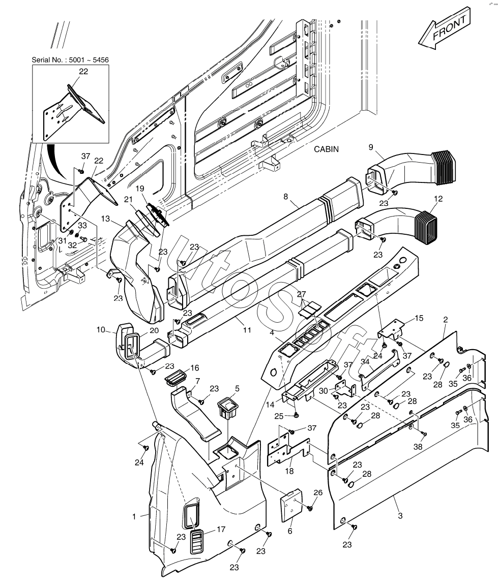
Позиция на иллюстрации | Заводской номер детали | Название детали | |
---|---|---|---|
621-02902J | 6***J | SIDE COVER ASSY | |
621-02909G | 6***G | COVER, SWITCH | |
K1048688 | K***8 | SIDE COVER ASSY | |
1 | 6***C | COVER, SIDE FRONT | |
2 | 6***C | COVER, SIDE MID UPPER | |
3 | 6***C | COVER, SIDE MID LOWER | |
4 | 6***E | COVER, SWITCH | |
5 | 9***A | ASHTRAY ASM | |
6 | 6***B | HOLDER, CUP | |
7 | 2***B | DUCT, DEFROSTER SIDE | |
8 | 2***B | DUCT, FACE MID | |
9 | 2***E | DUCT, FACE REAR | |
10 | 2***B | DUCT, DEFROSTER FRONT | |
11 | 2***B | DUCT, DEFROSTER MID | |
12 | 2***E | DUCT, DEFROSTER REAR | |
13 | 2***C | DUCT, FACE FRONT | |
14 | 1***C | BRACKET, SWITCH COVER FRONT | |
14 | 1***E | BRACKET, SWITCH | |
15 | 1***C | BRACKET, SWITCH COVER REAR | |
15 | 1***E | BRACKET, SWITCH | |
16 | 4***B | LOUVER DEF SIDE | |
17 | 4***B | LOUVER DEF FRONT | |
18 | 1***C | BRACKET, CUP HOLDER | |
18 | 1***E | BRACKET, CUP | |
19 | 4***B | LOUVER FACE | |
20 | K***8 | FOAM | |
21 | K***A | FOAM | |
21 | K***9 | FOAM | |
22 | 1***C | BRACKET, MONITOR | |
22 | 1***E | BRACKET, MONITOR | |
22 | K***C | PLATE | |
23 | 2***2 | BOLT | |
24 | 2***3 | SCREW | |
25 | S***3 | SCREW | |
26 | 2***3 | SCREW | |
27 | 6***1 | COVER, SWITCH | |
28 | 6***A | COVER | |
30 | K***A | PLATE | |
31 | 2***4 | WASHER | |
32 | 2***5 | BOLT M8X1.25X20 | |
33 | 2***4 | WASHER;SPRING M8 | |
34 | К***7 | PLATE | |
35 | 2***6 | BOLT M6X1.0X20 | |
36 | 2***5 | WASHER;PLAIN M6 | |
37 | К***4 | BOLT, FLANGE | |
38 | 2***7 | BOLT |
Содержащиеся в справочниках-каталогах запасные части и детали не предлагаются к продаже, а носят исключительно информационный характер. В демо-версии артикулы (номера деталей) скрыты. Если вы хотите видеть полные оригинальные номера запчастей, вам необходимо зарегистрироваться на нашем сайте и приобрести подписку по интересующей вас конфигурации, после этого вы сможете встроить онлайн-каталоги на ваш сайт или пользоваться ими из личного кабинета нашего сайта. Обращаем ваше внимание на то, что каталоги содержат информацию об оригинальных заводских номерах и названиях запчастей. База по аналогам в данный момент не реализована. Поиска по VIN-номерам в онлайн-каталоге не предусмотрено. Выбор конкретного каталога осуществляется путем открытия нужного типа техники, марки, модели с учетом года выпуска или модификации.