Каталог запасных частей к технике: New Holland Экскаватор LB110B (часть 2) (2010). Ковш стандартный 1m3 с вилами и зубом
11
21
20
19
18
17
16
15
14
13
13
12
1
1
10
9
9
8
8
7
7
6
6
5
5
5
5
4
4
4
4
3
3
2
2
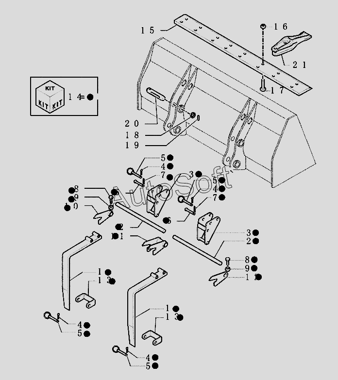
| Позиция на иллюстрации | Заводской номер детали | Название детали | |
|---|---|---|---|
| 1 | 9***4 | Вилка | |
| 2 | 9***0 | Стержень | |
| 3 | 9***6 | Суппорт | |
| 4 | 9***7 | Роликообразный штифт | |
| 5 | 9***8 | Стопорный штифт | |
| 6 | 9***9 | Штифт | |
| 7 | 9***0 | Шплинт | |
| 8 | 9***1 | Винт | |
| 9 | 9***2 | Гайка | |
| 10 | 9***3 | Шарнир | |
| 11 | 9***4 | Шарнир | |
| 12 | 9***5 | Шарнир | |
| 13 | 9***6 | U-образный кронштейн | |
| 14 | 8***6 | Комплект для переоборудования | |
| 15 | 8***4 | Режущая кромка | |
| 16 | 8***0 | Гайка | |
| 17 | 8***1 | Болт плуга | |
| 18 | 8***2 | Кольцо | |
| 19 | 8***3 | Штифт | |
| 20 | 8***1 | Штифт | |
| 21 | 8***0 | Хвостовик |
Содержащиеся в справочниках-каталогах запасные части и детали не предлагаются к продаже, а носят исключительно информационный характер. В демо-версии артикулы (номера деталей) скрыты. Если вы хотите видеть полные оригинальные номера запчастей, вам необходимо зарегистрироваться на нашем сайте и приобрести подписку по интересующей вас конфигурации, после этого вы сможете встроить онлайн-каталоги на ваш сайт или пользоваться ими из личного кабинета нашего сайта. Обращаем ваше внимание на то, что каталоги содержат информацию об оригинальных заводских номерах и названиях запчастей. База по аналогам в данный момент не реализована. Поиска по VIN-номерам в онлайн-каталоге не предусмотрено. Выбор конкретного каталога осуществляется путем открытия нужного типа техники, марки, модели с учетом года выпуска или модификации.