Каталог запасных частей к технике: CASE IH 921F (2011). PRIORITY PUMP INSTALLATION 821F
16
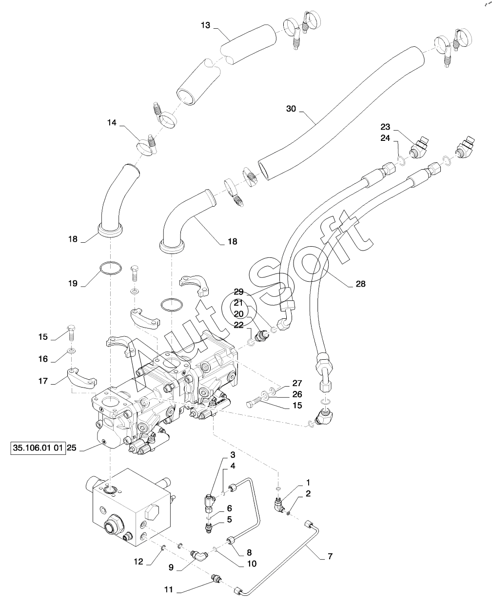
30
29
28
27
26
25
24
23
22
21
20
19
18
18
17
1
15
15
14
13
12
11
10
9
8
7
6
5
4
3
2
| Позиция на иллюстрации | Заводской номер детали | Название детали | |
|---|---|---|---|
| 1 | 7***3 | ELBOW | |
| 2 | 2***1 | O-RING | |
| 3 | 8***5 | TEE | |
| 4 | 2***1 | O-RING | |
| 5 | 7***0 | HYD CONNECTOR | |
| 6 | 2***1 | O-RING | |
| 7 | 8***5 | TUBE | |
| 8 | 8***2 | TUBE ASSY | |
| 9 | 7***8 | ELBOW | |
| 10 | 2***1 | O-RING | |
| 11 | 7***3 | CONNECTOR | |
| 12 | 2***1 | O-RING | |
| 13 | 8***4 | HOSE | |
| 14 | 2***1 | HOSE CLAMP | |
| 15 | 6***0 | BOLT | |
| 16 | 8***2 | WASHER | |
| 17 | A***1 | FLANGE | |
| 18 | 8***6 | TUBE | |
| 19 | 2***8 | O-RING | |
| 20 | 7***3 | CONNECTOR | |
| 21 | 8***2 | O-RING | |
| 22 | 9***9 | O-RING | |
| 23 | 8***3 | ELBOW | |
| 24 | 2***6 | O-RING | |
| 25 | 8***7 | HYDRAULIC PUMP | |
| 26 | 8***2 | WASHER | |
| 27 | 8***2 | WASHER | |
| 28 | 8***0 | HOSE ASSY | |
| 29 | 8***0 | HOSE ASSY | |
| 30 | 8***5 | HOSE |
Содержащиеся в справочниках-каталогах запасные части и детали не предлагаются к продаже, а носят исключительно информационный характер. В демо-версии артикулы (номера деталей) скрыты. Если вы хотите видеть полные оригинальные номера запчастей, вам необходимо зарегистрироваться на нашем сайте и приобрести подписку по интересующей вас конфигурации, после этого вы сможете встроить онлайн-каталоги на ваш сайт или пользоваться ими из личного кабинета нашего сайта. Обращаем ваше внимание на то, что каталоги содержат информацию об оригинальных заводских номерах и названиях запчастей. База по аналогам в данный момент не реализована. Поиска по VIN-номерам в онлайн-каталоге не предусмотрено. Выбор конкретного каталога осуществляется путем открытия нужного типа техники, марки, модели с учетом года выпуска или модификации.