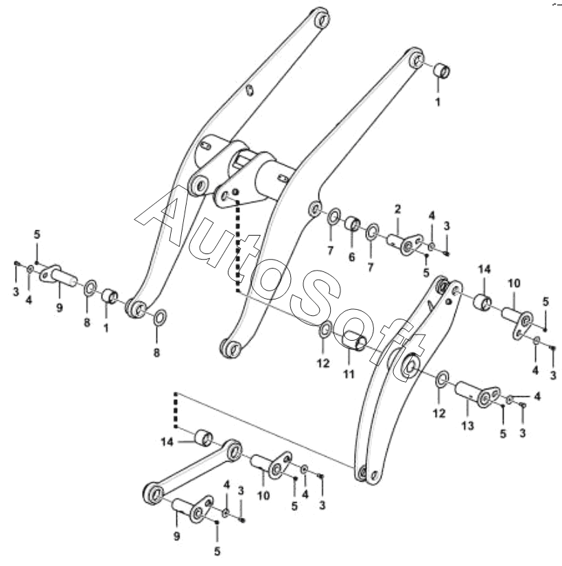
Каталог запасных частей к технике: SDLG LG916D. Рабочее оборудование, принадлежности;Working equipment accessory

1
1
2
3
3
3
3
3
3
4
4
4
4
4
4
5
5
5
5
5
5
6
7
7
8
8
9
9
10
10
11
12
12
13
14
14
Позиция на иллюстрации | Заводской номер детали | Название детали | |
---|---|---|---|
1 | 4***1 | Bushing | |
2 | 4***1 | Weld pin | |
3 | 4***7 | BOLT | |
4 | 4***1 | WASHER | |
5 | 4***5 | GREASE NIPPLE | |
6 | 4***4 | Bushing | |
7 | 4***3 | SPACER LGB303-40X90X1 | |
8 | 4***7 | SPACER LGB303-50X100X1 | |
9 | 4***7 | Weld pin | |
10 | 4***8 | Weld pin | |
11 | 4***3 | Bushing | |
12 | 4***1 | SPACER | |
13 | 4***9 | Weld pin | |
14 | 4***2 | Bushing |
Содержащиеся в справочниках-каталогах запасные части и детали не предлагаются к продаже, а носят исключительно информационный характер. В демо-версии артикулы (номера деталей) скрыты. Если вы хотите видеть полные оригинальные номера запчастей, вам необходимо зарегистрироваться на нашем сайте и приобрести подписку по интересующей вас конфигурации, после этого вы сможете встроить онлайн-каталоги на ваш сайт или пользоваться ими из личного кабинета нашего сайта. Обращаем ваше внимание на то, что каталоги содержат информацию об оригинальных заводских номерах и названиях запчастей. База по аналогам в данный момент не реализована. Поиска по VIN-номерам в онлайн-каталоге не предусмотрено. Выбор конкретного каталога осуществляется путем открытия нужного типа техники, марки, модели с учетом года выпуска или модификации.