Каталог запасных частей к технике: SDLG LG6225E (2013). Fuel filter

1
2
3
4
5
5
6
8
9
10
11
11
11
11
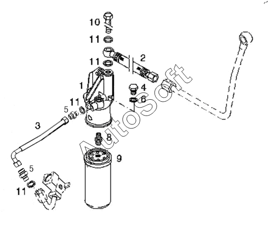
Позиция на иллюстрации | Заводской номер детали | Название детали | |
---|---|---|---|
1 | 4***8 | Fuel filter housing | |
2 | 4***1 | Fuel hose | |
3 | 1***7 | Hose | |
4 | 4***6 | Screw | |
5 | 2***1 | Nipple | |
6 | 4***7 | O-Ring | |
7 | k***i | Kongbai | |
8 | 4***5 | Nozzle | |
9 | 4***2 | Fuel filter insert | |
10 | 4***1 | Hollow screw | |
11 | 4***8 | Single washer | |
12 | 4***3 | Fuel filter |
Содержащиеся в справочниках-каталогах запасные части и детали не предлагаются к продаже, а носят исключительно информационный характер. В демо-версии артикулы (номера деталей) скрыты. Если вы хотите видеть полные оригинальные номера запчастей, вам необходимо зарегистрироваться на нашем сайте и приобрести подписку по интересующей вас конфигурации, после этого вы сможете встроить онлайн-каталоги на ваш сайт или пользоваться ими из личного кабинета нашего сайта. Обращаем ваше внимание на то, что каталоги содержат информацию об оригинальных заводских номерах и названиях запчастей. База по аналогам в данный момент не реализована. Поиска по VIN-номерам в онлайн-каталоге не предусмотрено. Выбор конкретного каталога осуществляется путем открытия нужного типа техники, марки, модели с учетом года выпуска или модификации.