Меню Закрыть

Демо

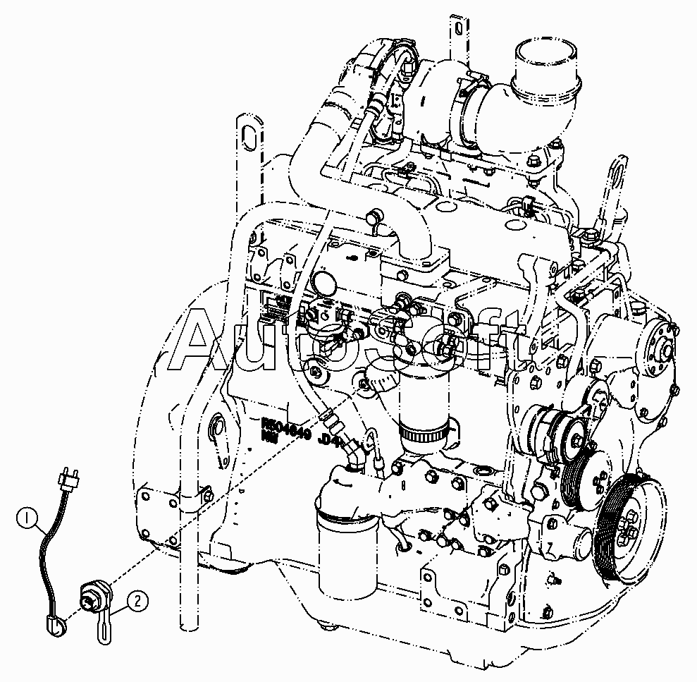
Каталог запасных частей к технике: John Deere JD-325SK (2015). Нагреватель охлаждающей жидкости блока двигателя (220 В)

zoom-in zoom-out enlarge shrink circle-right circle-left file-text2 info cart
1
2
Позиция на иллюстрации Заводской номер детали Название детали
R44302 R***2 Обвязной хомут
1 A***9 Шнур электропитания
2 R***8 Нагреватель охлаждающей жидкости
Содержащиеся в справочниках-каталогах запасные части и детали не предлагаются к продаже, а носят исключительно информационный характер. В демо-версии артикулы (номера деталей) скрыты. Если вы хотите видеть полные оригинальные номера запчастей, вам необходимо зарегистрироваться на нашем сайте и приобрести подписку по интересующей вас конфигурации, после этого вы сможете встроить онлайн-каталоги на ваш сайт или пользоваться ими из личного кабинета нашего сайта. Обращаем ваше внимание на то, что каталоги содержат информацию об оригинальных заводских номерах и названиях запчастей. База по аналогам в данный момент не реализована. Поиска по VIN-номерам в онлайн-каталоге не предусмотрено. Выбор конкретного каталога осуществляется путем открытия нужного типа техники, марки, модели с учетом года выпуска или модификации.