Каталог запасных частей к технике: DYNAPAC Dynapac CA302D (2010). Engine Cummins 4BTA 3.9 ELITE
44
30
30
30
30
31
31
32
32
33
33
34
35
36
37
38
39
40
41
42
43
29
29
45
46
47
48
49
50
51
60
61
62
63
64
65
66
15
15
2
3
4
5
6
7
8
9
10
11
12
13
13
13
13
14
14
14
14
15
1
16
17
17
18
19
20
21
22
23
24
25
26
27
27
28
28
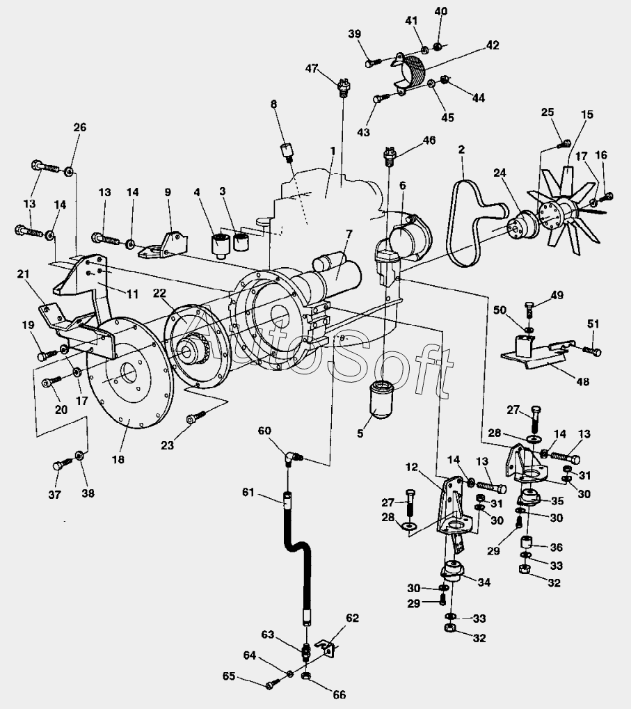
| Позиция на иллюстрации | Заводской номер детали | Название детали | |
|---|---|---|---|
| 1 | 3***5 | Engine | |
| 2 | 9***9 | V-belt | |
| 3 | 9***9 | Fuel filter | |
| 4 | 9***7 | Fuel filter cartridge | |
| 5 | 2***3 | Oil filter | |
| 6 | 9***0 | Alternator | |
| 7 | 9***8 | Starter | |
| 8 | 9***2 | Fuel solenoid | |
| 9 | 3***2 | Engine bracket | |
| 10 | 3***3 | Engine bracket | |
| 11 | 3***1 | Engine bracket | |
| 12 | 3***2 | Engine bracket | |
| 13 | 5***7 | Hex. screw | |
| 14 | 9***8 | Washer 12x22x2 | |
| 15 | 3***6 | Fan | |
| 15 | 3***8 | Fan | |
| 16 | 5***1 | Screw | |
| 17 | 9***7 | Washer 10x18x2 | |
| 18 | 3***2 | Bracket | |
| 19 | 5***0 | Cylinder screw | |
| 20 | 5***3 | Screw | |
| 21 | 3***8 | Bracket | |
| 22 | 3***9 | Coupling | |
| 23 | 5***5 | Screw | |
| 24 | 3***2 | Connector | |
| 25 | 9***4 | Screw | |
| 26 | 9***3 | Washer 13x24x4 | |
| 27 | 5***8 | Screw | |
| 28 | 3***2 | Washer | |
| 29 | 5***4 | Screw | |
| 30 | 9***1 | Washer 13x24x2 | |
| 31 | 5***9 | Lock nut M12 | |
| 32 | 5***2 | Lock nut M20 | |
| 33 | 9***3 | Washer 21x36x3 | |
| 34 | 3***3 | Shock absorber | |
| 35 | 3***4 | Shock absorber | |
| 36 | 3***8 | Spacer washer | |
| 37 | 5***2 | Screw | |
| 38 | 9***9 | Washer 8,4x16x1,5 | |
| 39 | 9***9 | Screw | |
| 40 | 5***8 | Lock nut M10 | |
| 41 | 9***0 | Washer 10,5x22x2 | |
| 42 | 3***1 | V-belt cover | |
| 43 | 9***1 | Screw M8x40 | |
| 44 | 5***3 | Lock nut M8 | |
| 45 | 9***0 | Washer 8,4x22x3 | |
| 46 | 9***4 | Oil pressure switch | |
| 47 | 9***2 | Temperature sensor Engine | |
| 48 | 3***2 | Thermal guard | |
| 49 | 5***8 | Screw | |
| 50 | 9***7 | Washer 10,5x22x4 | |
| 51 | S***w | Screw | |
| 60 | 9***0 | Adapter | |
| 61 | 3***4 | Drain hose | |
| 62 | 3***7 | Bracket | |
| 63 | 2***6 | Adapter | |
| 64 | 9***2 | Washer 17x30x3 | |
| 65 | 5***4 | Screw | |
| 66 | 2***4 | Cap |
Содержащиеся в справочниках-каталогах запасные части и детали не предлагаются к продаже, а носят исключительно информационный характер. В демо-версии артикулы (номера деталей) скрыты. Если вы хотите видеть полные оригинальные номера запчастей, вам необходимо зарегистрироваться на нашем сайте и приобрести подписку по интересующей вас конфигурации, после этого вы сможете встроить онлайн-каталоги на ваш сайт или пользоваться ими из личного кабинета нашего сайта. Обращаем ваше внимание на то, что каталоги содержат информацию об оригинальных заводских номерах и названиях запчастей. База по аналогам в данный момент не реализована. Поиска по VIN-номерам в онлайн-каталоге не предусмотрено. Выбор конкретного каталога осуществляется путем открытия нужного типа техники, марки, модели с учетом года выпуска или модификации.