Каталог запасных частей к технике: DYNAPAC Dynapac CC422 (2010). Sprinkler system, rear Up to 42520969
49
34
35
36
37
38
38
39
40
41
42
43
44
45
46
47
48
32
50
51
52
53
54
55
55
56
57
57
58
59
59
60
61
61
63
80
81
17
17
2
3
4
4
4
4
4
4
4
5
6
7
7
8
9
10
11
12
13
14
15
16
1
18
18
18
19
20
20
20
21
22
23
24
24
25
26
27
28
29
29
30
31
31
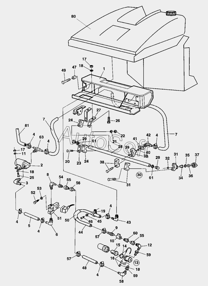
| Позиция на иллюстрации | Заводской номер детали | Название детали | |
|---|---|---|---|
| 1 | 3***9 | Sprinkler box | |
| 2 | 3***7 | Water pump | |
| 3 | 9***4 | Hose connection | |
| 4 | 3***2 | Hose clamp | |
| 5 | 9***8 | Hose reinforced | |
| 6 | 9***1 | Hose connection | |
| 7 | 9***8 | Hose reinforced | |
| 8 | 7***4 | Elbow 90 | |
| 9 | 9***4 | Hose connection | |
| 10 | 9***9 | Valve | |
| 11 | 9***6 | Washer 8,4x16x3,0 | |
| 12 | 9***8 | Connector | |
| 13 | 7***0 | Strainer cpl | |
| 14 | 9***7 | O-ring | |
| 15 | 9***6 | Strainer | |
| 16 | 3***6 | Clamp | |
| 17 | 5***5 | Nut | |
| 18 | 9***9 | Washer 8,4x16x1,5 | |
| 19 | 9***7 | Clamp | |
| 20 | 5***6 | Screw | |
| 20 | 5***7 | Screw | |
| 21 | 9***8 | Washer 6,4x12x1,5 | |
| 22 | 5***2 | Lock nut M6 | |
| 23 | 9***9 | Cover plate | |
| 24 | 9***6 | Clamp | |
| 25 | 5***0 | Screw | |
| 26 | 9***1 | Bolt | |
| 27 | 3***4 | Bracket | |
| 28 | 3***6 | Sprinkler pipe | |
| 29 | 3***5 | Plug | |
| 30 | 3***6 | Sprinkler, cpl | |
| 31 | 9***0 | Nozzle clamp | |
| 32 | 9***2 | O-ring | |
| 34 | 4***4 | Strainer | |
| 35 | 9***6 | Gasket | |
| 36 | 9***0 | Nozzle body | |
| 37 | 9***1 | Quick coupling, black | |
| 38 | 9***0 | Nozzle clamp | |
| 39 | 9***2 | O-ring | |
| 40 | 9***6 | Gasket | |
| 41 | 9***9 | Coupling | |
| 42 | 9***1 | Hose connection | |
| 43 | 9***6 | Hose connection | |
| 44 | 9***8 | Hose reinforced | |
| 45 | 9***1 | Washer 5,3x10x1 | |
| 46 | 5***1 | Screw | |
| 47 | 3***4 | Spacer sleeve | |
| 48 | 9***8 | Hose reinforced | |
| 49 | 5***1 | Screw | |
| 50 | 9***1 | Protective hose | |
| 51 | 2***3 | Solenoid valve | |
| 52 | 5***2 | Screw | |
| 53 | 9***8 | Washer 4,3x8x0,8 | |
| 54 | 7***5 | Connector | |
| 55 | 7***8 | Quick coupling | |
| 56 | 7***6 | Quick coupling | |
| 57 | 8***1 | Hose clamp | |
| 58 | 9***6 | Hose connection | |
| 59 | 9***6 | Adapter | |
| 60 | 7***5 | Quick coupling | |
| 61 | 9***9 | Sealing | |
| 63 | 7***9 | Adapter | |
| 80 | S***k | Sprinkling tank | |
| 81 | P***e | Plastic hose |
Содержащиеся в справочниках-каталогах запасные части и детали не предлагаются к продаже, а носят исключительно информационный характер. В демо-версии артикулы (номера деталей) скрыты. Если вы хотите видеть полные оригинальные номера запчастей, вам необходимо зарегистрироваться на нашем сайте и приобрести подписку по интересующей вас конфигурации, после этого вы сможете встроить онлайн-каталоги на ваш сайт или пользоваться ими из личного кабинета нашего сайта. Обращаем ваше внимание на то, что каталоги содержат информацию об оригинальных заводских номерах и названиях запчастей. База по аналогам в данный момент не реализована. Поиска по VIN-номерам в онлайн-каталоге не предусмотрено. Выбор конкретного каталога осуществляется путем открытия нужного типа техники, марки, модели с учетом года выпуска или модификации.