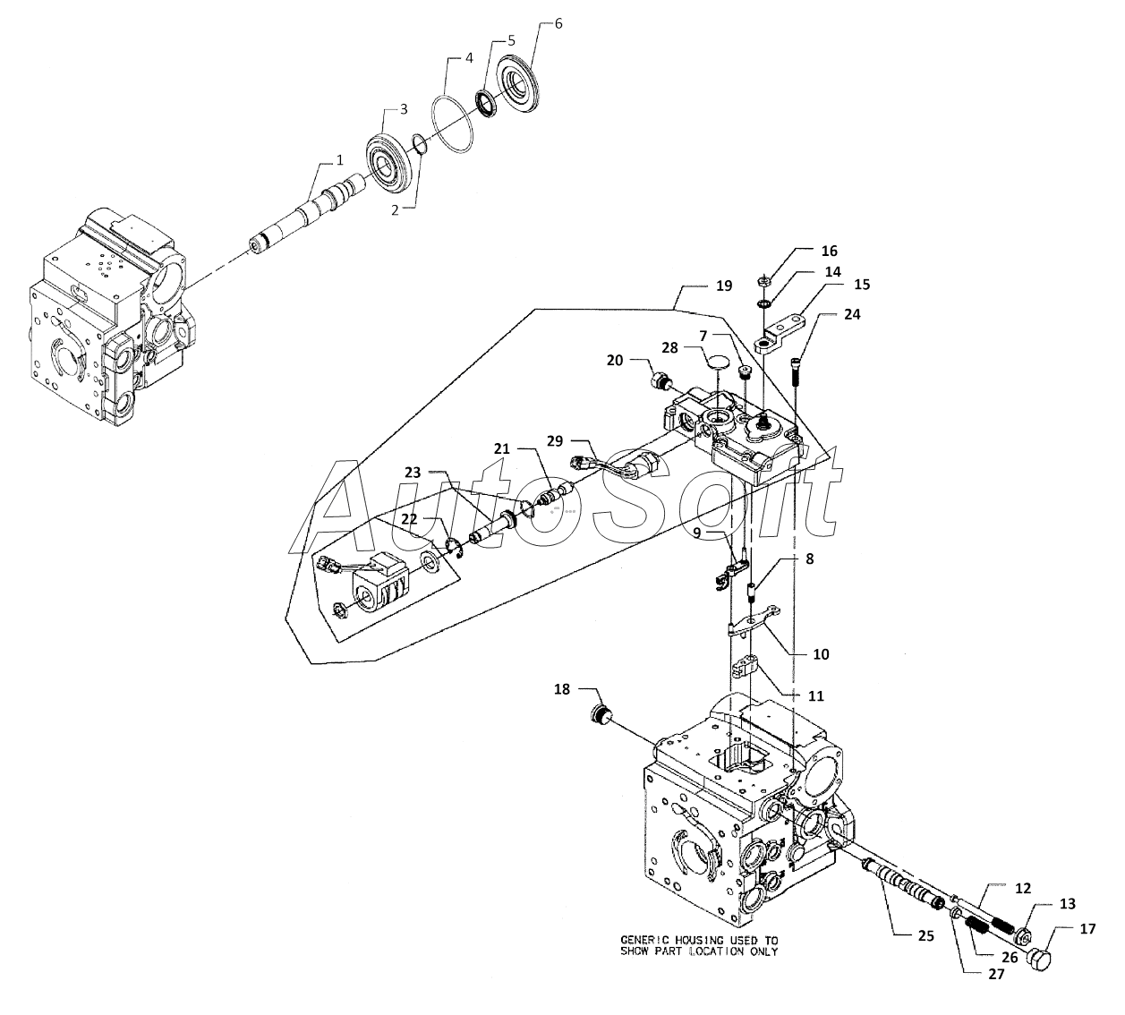
Каталог запасных частей к технике: DYNAPAC CC125 (2015). Input shaft & control
15
29
28
27
26
25
24
23
22
21
20
19
18
17
16
1
14
13
12
11
10
9
8
7
6
5
4
3
2
| Позиция на иллюстрации | Заводской номер детали | Название детали | |
|---|---|---|---|
| 1 | 4***0 | Shaft | |
| 2 | 4***1 | Ring | |
| 3 | 4***2 | Bearing-roller | |
| 4 | 4***3 | O-ring | |
| 5 | 4***4 | Seal-lip | |
| 6 | 4***5 | Carrer | |
| 7 | 4***6 | Plug | |
| 8 | 4***7 | Screw | |
| 9 | 4***8 | Link | |
| 10 | 4***9 | Link | |
| 11 | 4***0 | Link | |
| 12 | 4***1 | Screw | |
| 13 | 4***2 | Seal-lock nut | |
| 14 | 4***3 | Washer | |
| 15 | 4***4 | Control handle | |
| 16 | 4***5 | Nut | |
| 17 | 4***6 | Plug | |
| 18 | 4***7 | Plug | |
| 19 | 4***8 | Control assy | |
| 20 | 4***9 | Plug | |
| 21 | 4***0 | Spool | |
| 22 | 4***1 | Ring | |
| 23 | 4***2 | Soldnoid | |
| 24 | 4***3 | Screw | |
| 25 | 4***4 | Spool | |
| 26 | 4***5 | Spring | |
| 27 | 4***6 | Adaptor | |
| 28 | 4***2 | Cover | |
| 29 | 4***3 | Switch |
Содержащиеся в справочниках-каталогах запасные части и детали не предлагаются к продаже, а носят исключительно информационный характер. В демо-версии артикулы (номера деталей) скрыты. Если вы хотите видеть полные оригинальные номера запчастей, вам необходимо зарегистрироваться на нашем сайте и приобрести подписку по интересующей вас конфигурации, после этого вы сможете встроить онлайн-каталоги на ваш сайт или пользоваться ими из личного кабинета нашего сайта. Обращаем ваше внимание на то, что каталоги содержат информацию об оригинальных заводских номерах и названиях запчастей. База по аналогам в данный момент не реализована. Поиска по VIN-номерам в онлайн-каталоге не предусмотрено. Выбор конкретного каталога осуществляется путем открытия нужного типа техники, марки, модели с учетом года выпуска или модификации.