Каталог запасных частей к технике: DYNAPAC CA2500D-PD (2018). Hydraulic motor
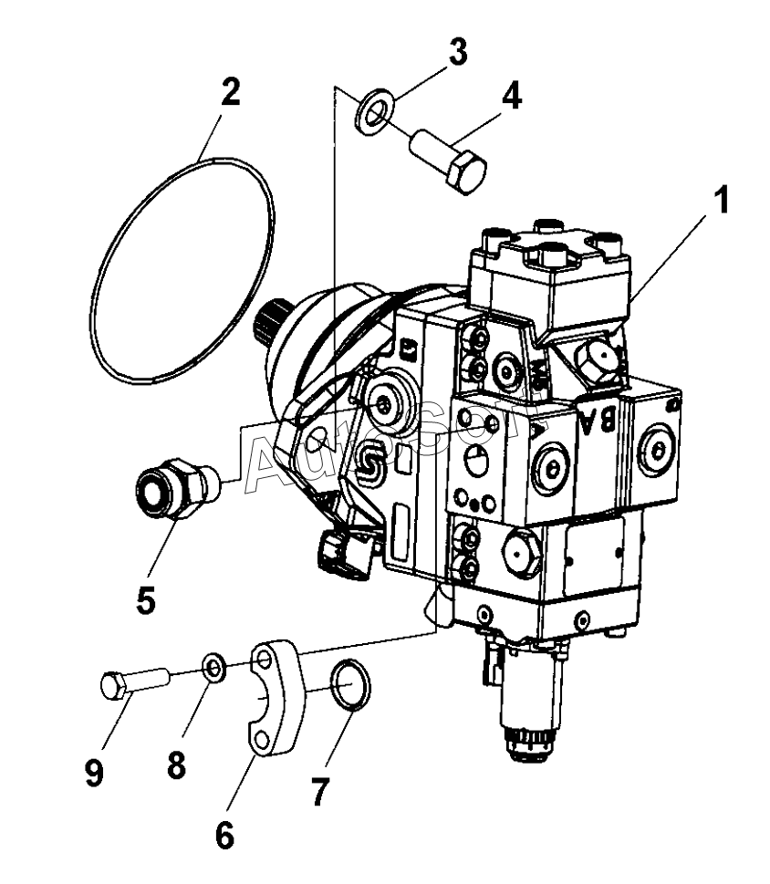
1
2
3
4
5
6
7
8
9
| Позиция на иллюстрации | Заводской номер детали | Название детали | |
|---|---|---|---|
| 1 | 4***2 | Drum motor | |
| 2 | 4***3 | O-ring | |
| 3 | 4***2 | Steel plain washer | |
| 4 | 4***3 | Hex. screw | |
| 5 | 4***1 | Straight connector orfs | |
| 6 | 4***6 | Flange half | |
| 7 | 4***4 | O-ring 90 | |
| 8 | 4***7 | Washer | |
| 9 | 4***0 | Hexagon head screw |
Содержащиеся в справочниках-каталогах запасные части и детали не предлагаются к продаже, а носят исключительно информационный характер. В демо-версии артикулы (номера деталей) скрыты. Если вы хотите видеть полные оригинальные номера запчастей, вам необходимо зарегистрироваться на нашем сайте и приобрести подписку по интересующей вас конфигурации, после этого вы сможете встроить онлайн-каталоги на ваш сайт или пользоваться ими из личного кабинета нашего сайта. Обращаем ваше внимание на то, что каталоги содержат информацию об оригинальных заводских номерах и названиях запчастей. База по аналогам в данный момент не реализована. Поиска по VIN-номерам в онлайн-каталоге не предусмотрено. Выбор конкретного каталога осуществляется путем открытия нужного типа техники, марки, модели с учетом года выпуска или модификации.