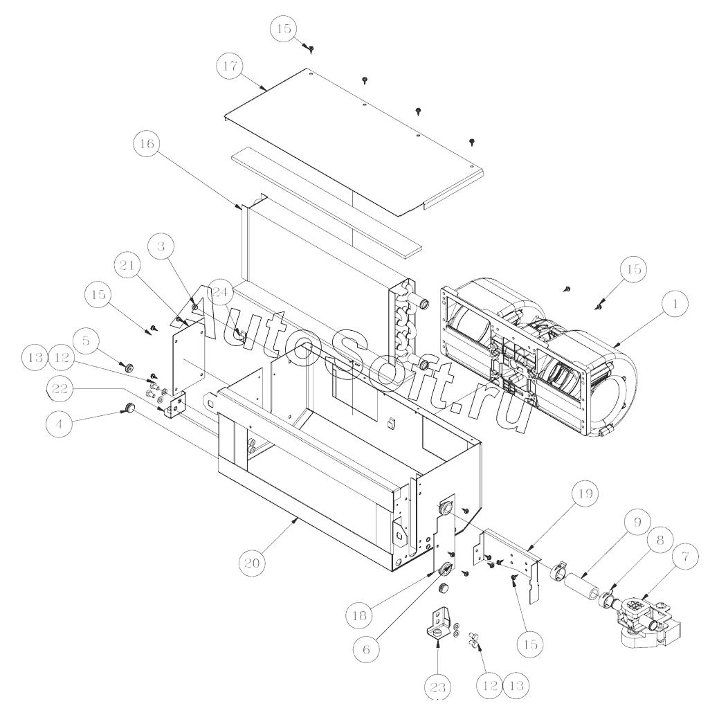
Каталог запасных частей к технике: DYNAPAC CC6200 VI (2020). 4812126358 Heater unit

13
13
24
23
22
21
20
19
18
17
16
15
15
15
15
1
12
12
9
8
7
6
5
4
3
Позиция на иллюстрации | Заводской номер детали | Название детали | |
---|---|---|---|
1 | 4***1 | Blower | |
3 | P***g | Plug connector see engine Gr. 9 | |
4 | G***t | Grommet | |
5 | G***t | Grommet | |
6 | 4***9 | Grommet | |
7 | 4***2 | Electronic valve | |
8 | H***p | Hoseclamp | |
9 | H***e | Hose | |
10 | S***m | Sealing foam | |
11 | S***g | Sealing | |
12 | S***w | Screw | |
13 | B***r | Back-up washer | |
15 | S***w | Screw | |
16 | 4***7 | Heater coil | |
17 | C***r | Cover | |
18 | C***e | Cover plate | |
19 | B***t | Bracket | |
20 | C***g | Casing | |
21 | C***e | Cover plate | |
22 | B***t | Bracket | |
23 | B***t | Bracket | |
24 | C***P | CLIP |
Содержащиеся в справочниках-каталогах запасные части и детали не предлагаются к продаже, а носят исключительно информационный характер. В демо-версии артикулы (номера деталей) скрыты. Если вы хотите видеть полные оригинальные номера запчастей, вам необходимо зарегистрироваться на нашем сайте и приобрести подписку по интересующей вас конфигурации, после этого вы сможете встроить онлайн-каталоги на ваш сайт или пользоваться ими из личного кабинета нашего сайта. Обращаем ваше внимание на то, что каталоги содержат информацию об оригинальных заводских номерах и названиях запчастей. База по аналогам в данный момент не реализована. Поиска по VIN-номерам в онлайн-каталоге не предусмотрено. Выбор конкретного каталога осуществляется путем открытия нужного типа техники, марки, модели с учетом года выпуска или модификации.