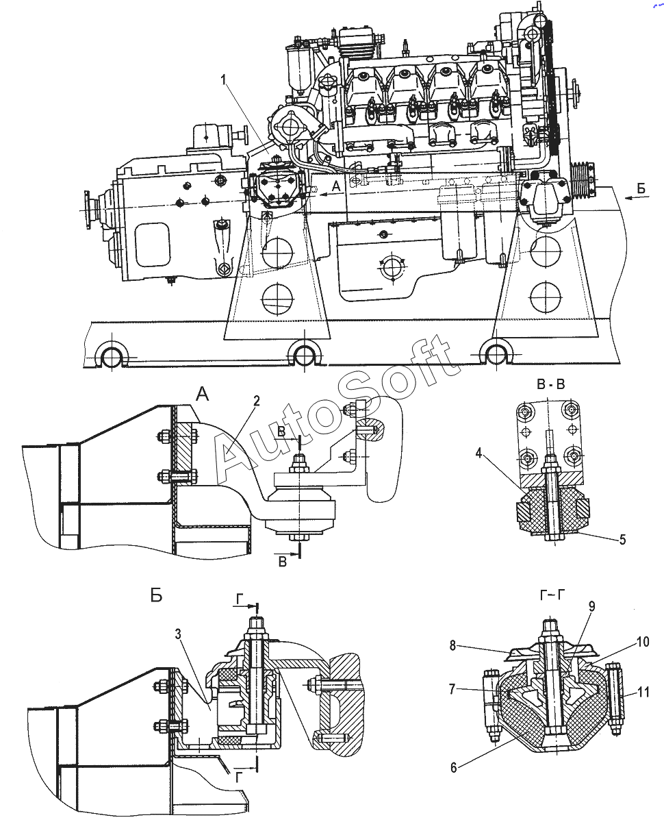
Каталог запасных частей к технике: ТТМ 4901. Подвеска двигателя
1
2
3
4
5
6
7
8
9
10
10
| Позиция на иллюстрации | Заводской номер детали | Название детали | |
|---|---|---|---|
| 740.14-1000049 | 7***9 | Агрегат силовой в сборе | |
| 1 | 5***5 | Кронштейн передней опоры силового агрегата | |
| 2 | 5***0 | Подушка передней опоры | |
| 3 | 5***1 | Шайба опорная | |
| 4 | 5***8 | Кронштейн задней опоры | |
| 5 | 5***1 | Подушка задней опоры силового агрегата | |
| 6 | 5***0 | Башмак задней опоры силового агрегата | |
| 7 | 5***5 | Колпак защитный подушки задней опоры | |
| 8 | 5***8 | Втулка опорная башмака | |
| 9 | 5***9 | Крышка задней опоры | |
| 10 | 5***5 | Прокладка |
Содержащиеся в справочниках-каталогах запасные части и детали не предлагаются к продаже, а носят исключительно информационный характер. В демо-версии артикулы (номера деталей) скрыты. Если вы хотите видеть полные оригинальные номера запчастей, вам необходимо зарегистрироваться на нашем сайте и приобрести подписку по интересующей вас конфигурации, после этого вы сможете встроить онлайн-каталоги на ваш сайт или пользоваться ими из личного кабинета нашего сайта. Обращаем ваше внимание на то, что каталоги содержат информацию об оригинальных заводских номерах и названиях запчастей. База по аналогам в данный момент не реализована. Поиска по VIN-номерам в онлайн-каталоге не предусмотрено. Выбор конкретного каталога осуществляется путем открытия нужного типа техники, марки, модели с учетом года выпуска или модификации.