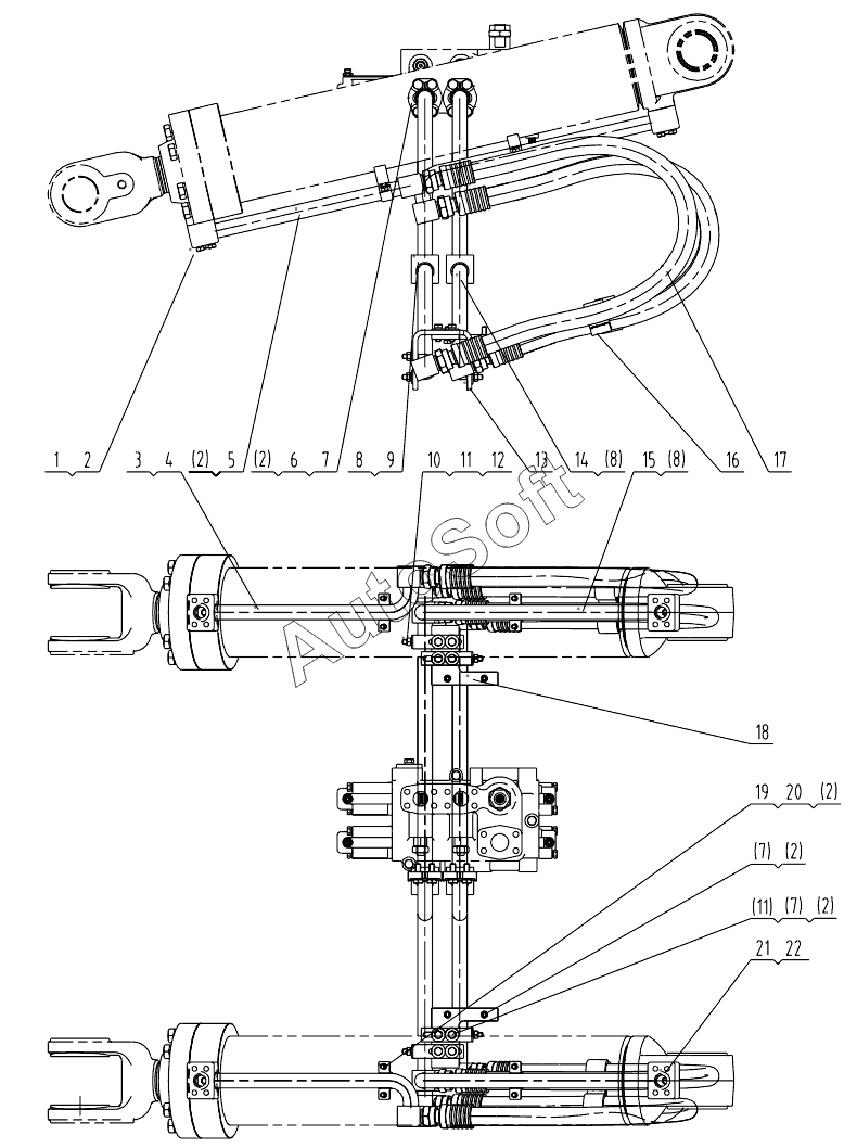
Каталог запасных частей к технике: LiuGong CLG-855N (2015). 00C2639_000_00 BOOM CYLINDER LINES
12
22
21
20
19
18
17
16
15
14
13
1
11
11
10
9
8
8
8
7
7
7
6
5
4
3
2
2
2
2
2
2
| Позиция на иллюстрации | Заводской номер детали | Название детали | |
|---|---|---|---|
| 1 | 0***8 | Болт | |
| 2 | 0***2 | Шайба | |
| 3 | 1***7 | Tube as | |
| 4 | 1***4 | O-RING | |
| 5 | 1***0 | Tube as | |
| 6 | 7***0 | Фланец | |
| 7 | 0***9 | Болт | |
| 8 | 1***0 | O-RING | |
| 9 | 1***0 | Tube as | |
| 10 | 8***8 | U-bolt | |
| 11 | 0***0 | WASHER | |
| 12 | 0***3 | NUT | |
| 13 | 2***5 | Plate | |
| 14 | 1***6 | Tube as | |
| 15 | 1***9 | Tube as | |
| 16 | 0***7 | Clamp | |
| 17 | 0***5 | Hose as | |
| 18 | 1***0 | Plate | |
| 19 | 0***5 | BOLT | |
| 20 | 2***6 | Хомут | |
| 21 | 1***1 | Кольцо круглого сечения | |
| 22 | 0***3 | Пробка |
Содержащиеся в справочниках-каталогах запасные части и детали не предлагаются к продаже, а носят исключительно информационный характер. В демо-версии артикулы (номера деталей) скрыты. Если вы хотите видеть полные оригинальные номера запчастей, вам необходимо зарегистрироваться на нашем сайте и приобрести подписку по интересующей вас конфигурации, после этого вы сможете встроить онлайн-каталоги на ваш сайт или пользоваться ими из личного кабинета нашего сайта. Обращаем ваше внимание на то, что каталоги содержат информацию об оригинальных заводских номерах и названиях запчастей. База по аналогам в данный момент не реализована. Поиска по VIN-номерам в онлайн-каталоге не предусмотрено. Выбор конкретного каталога осуществляется путем открытия нужного типа техники, марки, модели с учетом года выпуска или модификации.